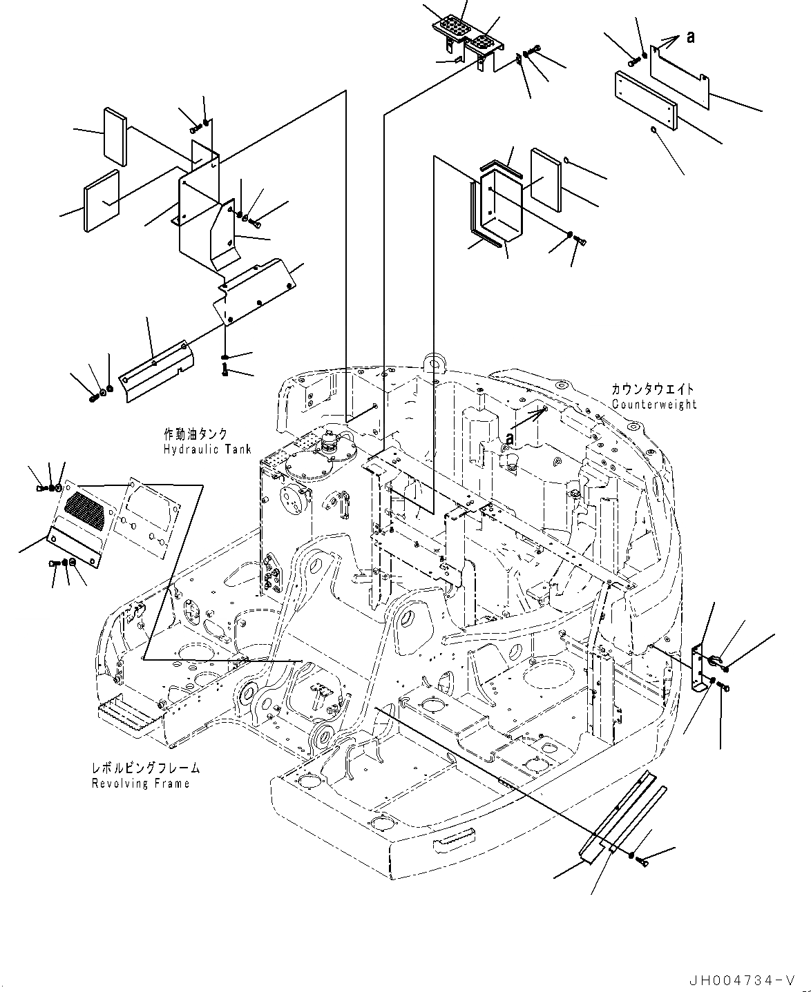
Запчасти Komatsu PC228US-8 ПЕРЕГОРОДКА. COVER, КРЫШКА(/) (№-) ПЕРЕГОРОДКА. COVER, РУКОЯТЬ CRANE

Схема запчастей Komatsu PC228US-8 - ПЕРЕГОРОДКА. COVER, КРЫШКА(/) (№-) ПЕРЕГОРОДКА. COVER, РУКОЯТЬ CRANE
3
1
4
7
5
8
9
10
19
21
22
24
12
13
14
15
16
17
42
43
44
45
47
48
49
50
26
31
32
27
28
29
30
33
35
36
37
38
39
40
34
46
51
2
6
11
41
18
25
23
20
FIT
1:1
100%

Артикул

Название

Примечание

Количество

1

01010-81230

Bolt

2

01643-31232

Washer

3

205-54-76411

Collar

4

22U-54-22680

Plate

5

01010-81230

Bolt

6

01643-31232

Washer

7

205-54-76411

Collar

7

22U-54-34810

Cover

8

Cover

9

22U-54-11960

Seal

10

01010-81230

Bolt

11

01643-31232

Washer

11

22U-54-33670

Cover

12

Cover

13

22U-54-33690

Sheet

14

124-A62-1920

Cap

15

22U-54-32680

Seal

16

22U-54-32690

Seal

17

01010-81230

Bolt

18

01643-31232

Washer

|$20

22U-54-35640

Bracket Assembly

19

Bracket

20

22U-54-35620

Sheet

21

21M-00-21280

Plate

22

21M-00-21290

Plate

23

22U-54-32660

Plate

24

01010-81230

Bolt

25

01643-31232

Washer

|$28

22U-54-32911

Cover Assembly

26

Cover

27

22U-54-32930

Sheet

28

01643-51232

Washer

29

124-54-26540

Washer

30

01010-81230

Bolt

31

22U-54-32941

Sheet

32

22U-54-33950

Sheet

33

01010-81230

Bolt

34

01643-31232

Washer

34

22U-54-32961

Cover Assembly

35

Cover

36

22U-54-32990

Sheet

37

01643-51232

Washer

38

124-54-26540

Washer

39

01010-81220

Bolt

40

01010-81230

Bolt

41

01643-31232

Washer

41

22U-54-33911

Bracket Assembly

42

Bracket

43

203-54-63230

Clamp

44

01023-20614

Screw

45

01010-81230

Bolt

46

01643-31232

Washer

46

22U-54-34770

Cover Assembly

47

Cover

48

22U-54-34790

Sheet

49

124-A62-1920

Cap

50

01010-81230

Bolt

51

01643-31232

Washer

Выбрано товаров: 58