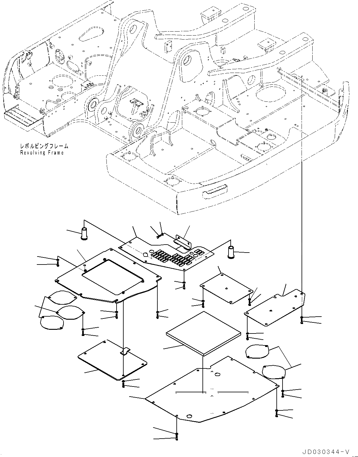
Запчасти Komatsu PC228US-8 НИЖН. КРЫШКА (№-) НИЖН. КРЫШКА, ДЛЯ АВСТРАЛИИ

Схема запчастей Komatsu PC228US-8 - НИЖН. КРЫШКА (№-) НИЖН. КРЫШКА, ДЛЯ АВСТРАЛИИ
6
7
12
1
35
26
25
15
22
18
19
19
10
8
13
2
33
31
29
27
16
2
36
21
3
37
34
17
3
24
32
30
28
14
11
9
4
5
23
20
FIT
1:1
100%

Артикул

Название

Примечание

Количество

1

22U-54-24810

Cover

2

01010-81240

Bolt

3

01643-31232

Washer

4

01010-81240

Bolt

5

175-54-34170

Washer

5

22U-54-33411

Cover Assembly

6

Cover

7

22U-54-33431

Sheet

8

01010-81230

Bolt

9

01643-31232

Washer

10

01010-81230

Bolt

11

175-54-34170

Washer

12

207-54-51440

Plate

13

01010-81230

Bolt

14

01643-31232

Washer

15

207-54-51440

Plate

16

01010-81230

Bolt

17

01643-31232

Washer

17

22U-54-33441

Cover

18

Cover

19

22U-54-24760

Grommet

20

01010-81230

Bolt

21

01643-31232

Washer

22

22U-54-33481

Bracket

23

01010-81230

Bolt

24

01643-31232

Washer

25

22U-54-33460

Cover

26

22U-54-33470

Cover

27

01010-81230

Bolt

28

01643-31232

Washer

29

01010-81230

Bolt

30

175-54-34170

Washer

31

01010-81230

Bolt

32

01643-31232

Washer

33

01010-81230

Bolt

34

175-54-34170

Washer

35

20Y-54-28781

Cover

36

01010-81240

Bolt

37

01643-31232

Washer

Выбрано товаров: 39