Запчасти Komatsu PC228USLC-1 ОСНОВН. НАСОС (9/9) ОСНОВН. КОМПОНЕНТЫ И РЕМКОМПЛЕКТЫ

Схема запчастей Komatsu PC228USLC-1 - ОСНОВН. НАСОС (9/9) ОСНОВН. КОМПОНЕНТЫ И РЕМКОМПЛЕКТЫ
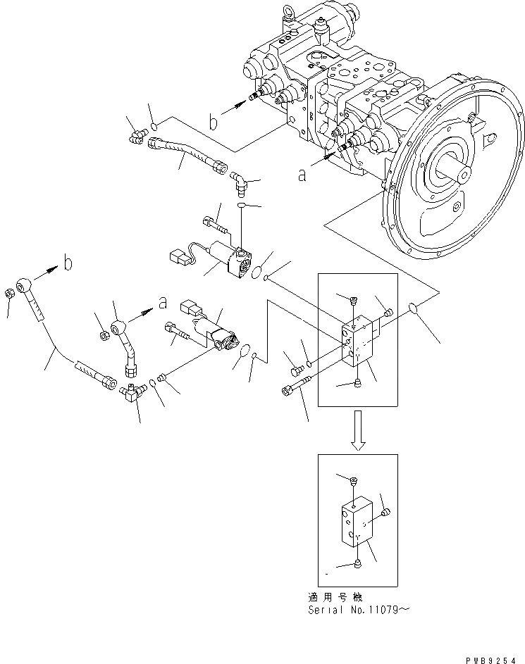
1
1
2
2
3
3
3
3
3
3
4
5
6
7
8
8
9
9
10
10
11
11
12
13
14
15
15
16
16
17
18
19
FIT
1:1
100%

Артикул

Название

Примечание

Количество

|1

708-2L-00413

PUMP ASS'Y

|1

708-2L-00411

PUMP ASS'Y

1

702-21-07010

VALVE ASS'Y

|2

708-2L-04291

BLOCK ASS'Y

|2

708-2L-04290

BLOCK ASS'Y

2

BLOCK

|2

BLOCK

3

PLUG

|3

PLUG

4

O-RING

5

07040-11007

PLUG

6

708-2L-23920

O-RING

7

01252-60865

BOLT

8

203-60-62220

BOLT

9

07235-10210

ELBOW

10

708-2L-23950

O-RING

11

01582-11008

NUT

12

708-2L-29410

HOSE

13

708-2L-29420

HOSE

14

708-2L-29430

HOSE

15

708-2L-23960

O-RING

16

07000-B2011

O-RING

17

708-2L-29450

ELBOW

18

708-2L-29460

ORIFICE

19

708-2L-23950

O-RING

Выбрано товаров: 0