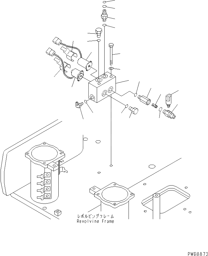
Запчасти Komatsu PC228USLC-1 СОЛЕНОИДНЫЙ КЛАПАН (КЛАПАН) (ХОД И GRADES RELIEF) ГИДРАВЛИКА

Схема запчастей Komatsu PC228USLC-1 - СОЛЕНОИДНЫЙ КЛАПАН (КЛАПАН) (ХОД И GRADES RELIEF) ГИДРАВЛИКА
1
2
3
4
4
5
6
7
8
9
10
11
11
12
13
14
15
16
17
18
19
20
21
FIT
1:1
100%

Артикул

Название

Примечание

Количество

1

21Y-60-12400

VALVE ASS'Y

2

21Y-60-12410

SOLENOID A.

3

21W-60-32120

SOLENOID ASS'Y

4

20U-60-22120

CLIP

5

07235-10210

ELBOW

6

07002-11423

O-RING

7

20Y-62-16630

NIPPLE

8

201-60-11390

O-RING

9

20Y-62-19560

O-RING

10

07040-11409

PLUG

11

07002-11423

O-RING

|12

21W-62-35201

FILTER ASS'Y

12

20T-62-71930

UNION

13

21W-62-33271

UNION

14

20T-62-71910

STRAINER

15

07002-11823

O-RING

|15

07002-01823

O-RING

16

07002-11423

O-RING

17

206-06-61130

SWITCH

18

07040-11409

PLUG

19

07002-11423

O-RING

20

01011-81205

BOLT

21

01643-31232

WASHER

Выбрано товаров: 23