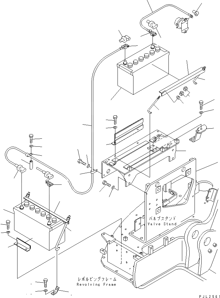
Запчасти Komatsu PC228USLC-1 АККУМУЛЯТОР(№-8) ЭЛЕКТРИКА

Схема запчастей Komatsu PC228USLC-1 - АККУМУЛЯТОР(№-8) ЭЛЕКТРИКА
1
1
2
3
3
4
4
5
5
5
6
7
8
9
10
11
12
13
14
15
16
17
18
19
20
21
22
23
24
25
26
27
28
29
30
31
32
33
34
35
FIT
1:1
100%

Артикул

Название

Примечание

Количество

1

08000-32212

BATTERY, WET(115E41R

2

08000-00000

TERMINAL, (+)

3

08000-00001

TERMINAL, (-)

4

22U-06-11751

HOLDER

5

08006-30240

BOLT

6

01580-11008

NUT

7

01643-31032

WASHER

8

22U-06-11770

BRACKET

9

01010-81025

BOLT

10

01643-31032

WASHER

11

08038-22511

CAP

12

08038-42511

CAP

13

08028-43125

CABLE, GROUND

14

08028-43060

CABLE, GROUND

15

08038-42511

CAP

16

08038-06031

CAP

17

08036-01414

CLIP

18

01010-81085

BOLT

19

01643-31032

WASHER

20

195-979-3570

COLLAR

21

22U-06-12151

BRACKET

22

01010-81230

BOLT

23

01643-31232

WASHER

24

22U-06-11760

CLAMP

25

01010-81025

BOLT

26

01643-31032

WASHER

27

08036-01414

CLIP

28

01010-81025

BOLT

29

01643-31032

WASHER

30

22U-06-11970

CLAMP

31

01010-81230

BOLT

32

01643-31232

WASHER

33

22U-06-11980

BRACKET

34

01010-81235

BOLT

35

01643-31232

WASHER

Выбрано товаров: 35