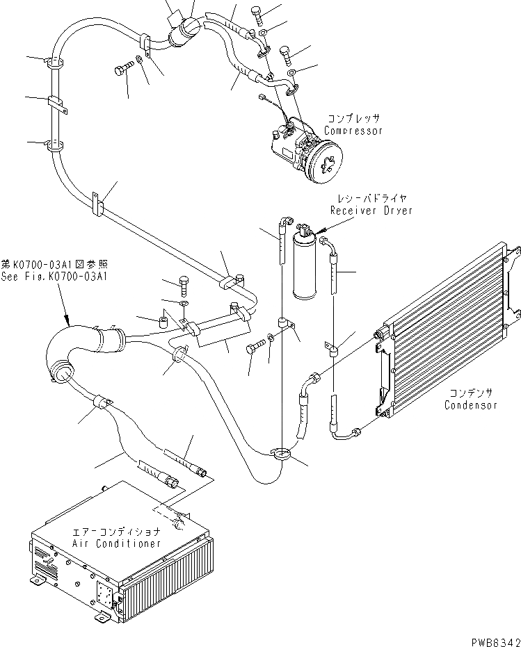
Запчасти Komatsu PC228USLC-1 КОНДИЦ. ВОЗДУХА (ШЛАНГИ) КАБИНА ОПЕРАТОРА И СИСТЕМА УПРАВЛЕНИЯ

Схема запчастей Komatsu PC228USLC-1 - КОНДИЦ. ВОЗДУХА (ШЛАНГИ) КАБИНА ОПЕРАТОРА И СИСТЕМА УПРАВЛЕНИЯ
1
1
2
3
4
5
5
6
6
7
8
8
9
9
9
9
9
10
10
11
11
12
13
13
14
15
16
16
16
16
17
FIT
1:1
100%

Артикул

Название

Примечание

Количество

1

22U-979-1170

HOSE

2

22U-979-1181

HOSE

3

205-62-53780

COVER

4

08034-00536

BAND

5

01010-80616

BOLT

6

01641-20608

WASHER

7

22U-979-1530

HOSE

7

203-979-6390

O-RING

8

22U-979-1190

HOSE

8

203-979-6390

O-RING

9

04435-52112

CLIP

10

01010-81220

BOLT

11

01643-31232

WASHER

12

113-899-7950

CLIP

13

04434-51510

CLIP

14

01010-81020

BOLT

15

01643-31032

WASHER

16

08034-00823

BAND

17

195-33-11220

SPACER

Выбрано товаров: 19