Запчасти Komatsu PC228USLC-1 ОСНОВН. КЛАПАН (КОРПУС КЛАПАНА И ТРУБЫ) (ДЛЯ MONO СТРЕЛА)(СЦЕПНОЕ УСТРОЙСТВО СДВИГ. ВВЕРХ СПЕЦ-Я.)(№-) ГИДРАВЛИКА

Схема запчастей Komatsu PC228USLC-1 - ОСНОВН. КЛАПАН (КОРПУС КЛАПАНА И ТРУБЫ) (ДЛЯ MONO СТРЕЛА)      (СЦЕПНОЕ УСТРОЙСТВО СДВИГ. ВВЕРХ СПЕЦ-Я.)(№-) ГИДРАВЛИКА
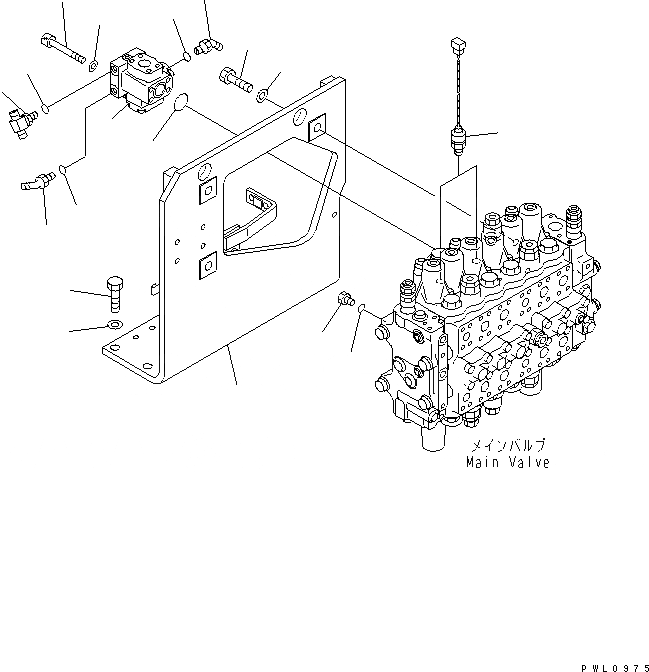
1
2
3
4
5
6
7
8
9
10
11
12
13
13
13
14
15
16
FIT
1:1
100%

Артикул

Название

Примечание

Количество

1

22U-62-11343

BRACKET

2

01010-81650

BOLT

3

01643-31645

WASHER

4

01010-81650

BOLT

5

01643-31645

WASHER

6

702-21-09147

VALVE ASS'Y

7

21T-09-11460

O-RING

8

708-27-12560

BOLT

9

01643-51032

WASHER

10

20Y-62-11780

TEE

11

07235-10210

ELBOW

12

07236-10210

ELBOW

13

07002-11423

O-RING

14

7861-92-1610

SENSOR

15

07040-11409

PLUG

16

07002-11423

O-RING

Выбрано товаров: 16