Запчасти Komatsu PC228USLC-1 ЛИНИЯ ХОДА (КЛАПАН) ГИДРАВЛИКА

Схема запчастей Komatsu PC228USLC-1 - ЛИНИЯ ХОДА (КЛАПАН) ГИДРАВЛИКА
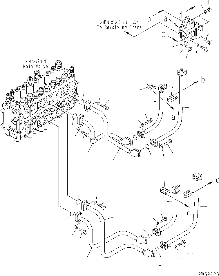
1
2
3
4
5
6
7
8
9
10
11
12
13
14
15
16
17
18
19
20
21
22
23
24
25
26
27
28
29
30
31
32
33
34
35
36
36
36
36
37
37
37
38
38
38
FIT
1:1
100%

Артикул

Название

Примечание

Количество

1

22U-62-11141

TUBE

2

22U-62-11153

TUBE

3

21T-09-11460

O-RING

4

07372-21040

BOLT

5

01643-51032

WASHER

6

21T-09-11460

O-RING

7

07372-21040

BOLT

8

01643-51032

WASHER

9

22U-62-11212

TUBE

10

22U-62-11222

TUBE

11

21T-09-11460

O-RING

12

07372-21040

BOLT

13

01643-51032

WASHER

14

21T-09-11460

O-RING

15

07372-21040

BOLT

16

01643-51032

WASHER

17

22U-62-12650

TUBE

18

22U-62-12660

TUBE

19

22U-62-12680

TUBE

20

22U-62-12690

TUBE

21

07000-13030

O-RING

22

07372-21040

BOLT

23

01643-51032

WASHER

24

07000-13030

O-RING

25

07372-21040

BOLT

26

01643-51032

WASHER

27

07000-13030

O-RING

28

07372-21040

BOLT

29

01643-51032

WASHER

30

07000-13030

O-RING

31

07372-21040

BOLT

32

01643-51032

WASHER

33

22U-62-12810

BRACKET

34

01010-81230

BOLT

35

01643-31232

WASHER

36

07283-32738

CLIP

36

07283-32746

CLIP

37

01597-01009

NUT

38

01643-31032

WASHER

Выбрано товаров: 39