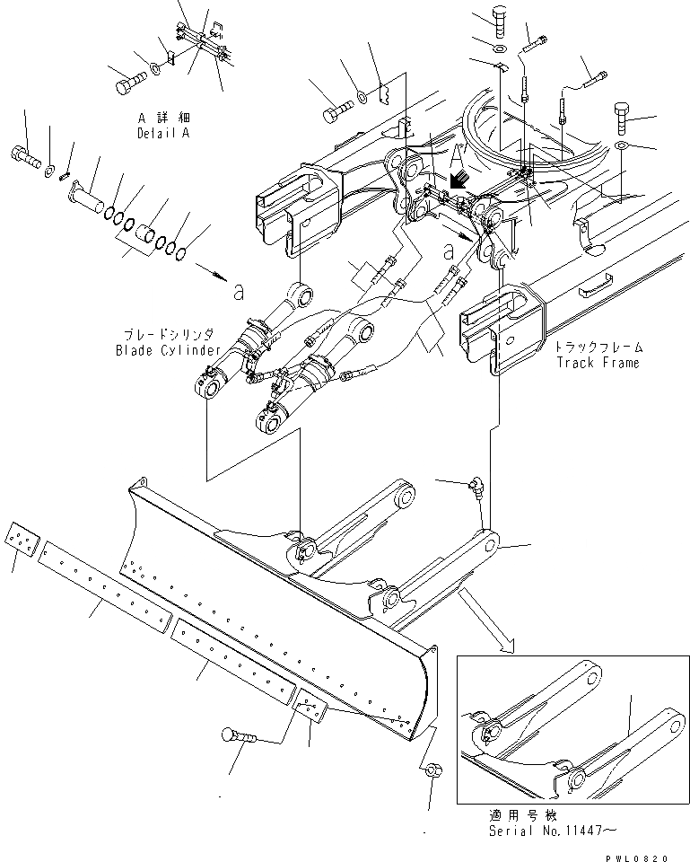
Запчасти Komatsu PC228USLC-1-TN ОТВАЛ РАБОЧЕЕ ОБОРУДОВАНИЕ

Схема запчастей Komatsu PC228USLC-1-TN - ОТВАЛ РАБОЧЕЕ ОБОРУДОВАНИЕ
1
1
2
3
4
5
6
7
7
8
9
10
11
12
13
14
14
15
15
16
16
17
17
18
18
19
20
21
22
22
23
23
23
24
24
25
25
26
27
28
29
29
FIT
1:1
100%

Артикул

Название

Примечание

Количество

1

22U-71-12121

BLADE ASS'Y

|1

22U-71-12120

BLADE ASS'Y

2

707-76-90270

BUSHING

3

07145-00090

SEAL

4

07020-00900

FITTING

5

130-Z20-1510

EDGE

6

130-70-41130

EDGE

7

22U-71-81480

CUTTING EDGE

8

02090-11270

BOLT

9

02290-11219

NUT

10

207-70-31210

PIN

11

01010-81235

BOLT

12

01643-31232

WASHER

13

205-70-66580

PLATE

14

207-70-24190

SPACER¤ 0.8MM

15

207-70-24210

SPACER¤ 1.5MM

16

07096-00506

HOSE

17

22U-62-14780

TUBE

18

22U-62-14790

TUBE

19

22U-71-81490

BRACKET

20

01010-81235

BOLT

21

01643-31232

WASHER

22

203-70-53381

PLATE

23

203-62-58810

CUSHION

24

01010-81025

BOLT

25

01643-31032

WASHER

26

22U-71-81540

COVER

27

01010-81220

BOLT

28

01643-31232

WASHER

29

07096-20509

HOSE

Выбрано товаров: 30