Запчасти Komatsu PC228USLC-2 ЛИНИЯ ПОДАЧИ ГИДРАВЛИКА

Схема запчастей Komatsu PC228USLC-2 - ЛИНИЯ ПОДАЧИ ГИДРАВЛИКА
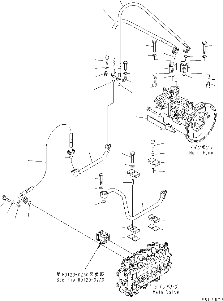
1
2
3
4
4
5
6
6
7
8
8
9
10
11
11
12
12
13
13
14
15
16
17
18
19
20
21
22
23
24
25
26
27
28
29
29
30
30
30
30
31
31
32
32
33
33
34
35
FIT
1:1
100%

Артикул

Название

Примечание

Количество

1

22U-62-11374

BLOCK

2

21T-09-11460

O-RING

3

07073-01A11

HOSE

4

21T-09-11460

O-RING

5

22U-62-12710

HOSE, 1230MM

6

21T-09-11460

O-RING

7

22U-62-14990

HOSE

8

21T-09-11460

O-RING

9

01011-81000

BOLT

10

01643-31032

WASHER

11

07371-31049

FLANGE

12

07372-21035

BOLT

13

01643-51032

WASHER

14

07040-11007

PLUG

15

07002-11023

O-RING

16

22U-62-11384

BLOCK

17

21T-09-11460

O-RING

18

01011-81000

BOLT

19

01643-31032

WASHER

20

07371-31049

FLANGE

21

07372-21035

BOLT

22

01643-51032

WASHER

23

07040-11007

PLUG

24

07002-11023

O-RING

25

22U-62-11352

TUBE

26

22U-62-11361

TUBE

27

07372-21060

BOLT

28

01643-51032

WASHER

29

22U-62-13531

PLATE

30

22U-62-13540

CUSHION

31

22X-70-12940

SPACER

32

01010-81285

BOLT

33

01643-31232

WASHER

34

22U-62-11392

BRACKET

35

07000-13035

O-RING

Выбрано товаров: 0