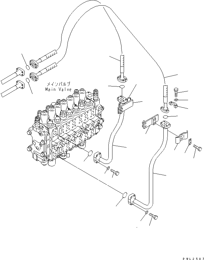
Запчасти Komatsu PC228USLC-2 НАВЕСНОЕ ОБОРУД-Е (SLIDE И ROTATION РУКОЯТЬ) ГИДРАВЛИКА

Схема запчастей Komatsu PC228USLC-2 - НАВЕСНОЕ ОБОРУД-Е (SLIDE И ROTATION РУКОЯТЬ) ГИДРАВЛИКА
1
2
3
3
4
4
5
5
6
6
7
7
7
7
8
9
10
11
11
12
12
13
14
FIT
1:1
100%

Артикул

Название

Примечание

Количество

1

22U-62-11251

TUBE

2

22U-62-11261

TUBE

3

21T-09-11460

O-RING

4

07372-21040

BOLT

5

01643-51032

WASHER

6

22U-62-14510

HOSE

7

07000-13025

O-RING

8

07371-30640

FLANGE

9

07372-21035

BOLT

10

01643-51032

WASHER

11

22U-62-13810

BRACKET

12

20Y-62-13710

CLAMP

13

01010-81235

BOLT

14

20Y-62-13450

PLATE

Выбрано товаров: 14