Запчасти Komatsu PC228USLC-3-AA ОСНОВН. НАСОС (/)(№-) ОСНОВН. КОМПОНЕНТЫ И РЕМКОМПЛЕКТЫ

Схема запчастей Komatsu PC228USLC-3-AA - ОСНОВН. НАСОС (/)(№-) ОСНОВН. КОМПОНЕНТЫ И РЕМКОМПЛЕКТЫ
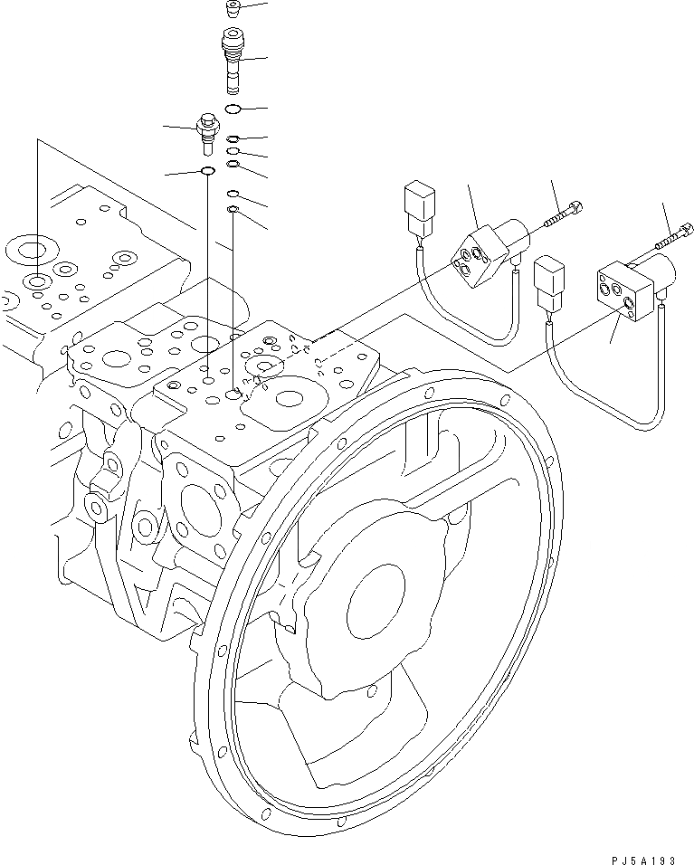
1
2
3
3
4
4
5
6
7
8
8
9
10
11
FIT
1:1
100%

Артикул

Название

Примечание

Количество

|1

708-2L-00102

PUMP ASS'Y

1

708-2L-35530

PLUG

2

07002-61023

O-RING

3

702-21-54900

PILOT VALVE

4

01252-60635

BOLT

|5

708-2L-06820

PLUG SUB ASS'Y

5

708-2L-35920

PLUG

6

PLUG

7

07000-B1008

O-RING

8

07001-01008

RING

9

07000-B1007

O-RING

10

07001-01007

RING,BACK-UP

11

07002-61423

O-RING

Выбрано товаров: 0