Качественные детали и логистика
Оригинальные и аналоговые запчасти с доставкой по России, Казахстану и Беларуси
©2022 PartSell ООО "Система" ИНН 2463123282 ОГРН 1212400004838
Центральный офис: г. Красноярск, Академика Киренского, д.87, пом.4
Телефон: 8 (800) 777-65-74 Email: zakaz@partsell.ru
ВОЗВРАТН. ЛИНИЯ(№-)
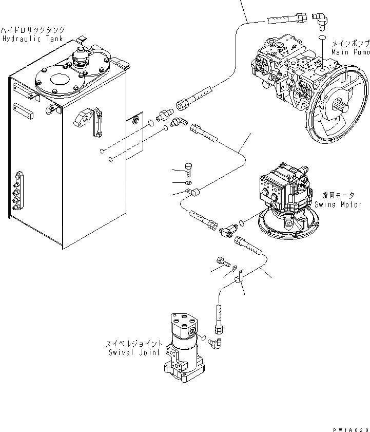
№
Артикул
Название
Примечание
Количество
1
22U-62-22630
HOSE
2
07621-00507
|2
22U-62-22171
3
07621-00509
4
04434-52512
CLIP
5
01010-81225
BOLT
6
01643-31232
WASHER
7
|7
04434-52712
8
9
Выбрано товаров: 0