Запчасти Komatsu PC228USLC-3-AB ОСНОВН. КЛАПАН (-АКТУАТОР) (/9) (РУКОЯТЬ CRANE¤ СПЕЦ-Я ДЛЯ РАЗРУШ. ЗДАНИЙ¤ 2-СЕКЦИОНН. СТРЕЛА¤ SLIDE РУКОЯТЬ)(№-) ОСНОВН. КОМПОНЕНТЫ И РЕМКОМПЛЕКТЫ

Схема запчастей Komatsu PC228USLC-3-AB - ОСНОВН. КЛАПАН (-АКТУАТОР) (/9) (РУКОЯТЬ CRANE¤ СПЕЦ-Я ДЛЯ РАЗРУШ. ЗДАНИЙ¤ 2-СЕКЦИОНН. СТРЕЛА¤ SLIDE РУКОЯТЬ)(№-) ОСНОВН. КОМПОНЕНТЫ И РЕМКОМПЛЕКТЫ
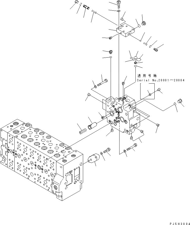
1
2
3
4
5
6
7
8
9
10
11
12
13
14
15
16
17
18
19
20
21
22
23
24
25
26
27
28
28
28
28
28
28
28
28
29
30
31
31
32
33
34
FIT
1:1
100%

Артикул

Название

Примечание

Количество

|1

723-47-20104

VALVE ASS'Y

|1

723-47-20103

VALVE ASS'Y

|1

723-47-20102

VALVE ASS'Y

|1

723-47-20101

VALVE ASS'Y

|1

723-40-71103

VALVE ASS'Y

|1

723-40-71102

VALVE ASS'Y

|1

723-40-71100

VALVE ASS'Y

1

723-40-71430

VALVE

2

702-21-55460

SPRING

3

702-21-55420

O-RING

4

702-21-55520

O-RING

5

702-21-55440

O-RING

6

702-21-53120

FILTER

7

07000-12011

O-RING

8

BLOCK

|8

BLOCK

9

SPOOL

10

702-21-55640

SPRING

11

702-21-55620

PLUG

12

07002-11423

O-RING

13

702-21-55710

SEAT

14

702-21-55720

SPRING

15

04260-00793

BALL

16

07000-11009

O-RING

17

PLUG

18

708-8H-11530

PLUG

19

07002-11423

O-RING

20

01252-61040

BOLT

21

01643-51032

WASHER

22

702-21-55620

PLUG

23

07002-11423

O-RING

24

708-8E-16160

PLUG

25

07002-11023

O-RING

26

07000-12011

O-RING

27

ORIFICE

28

PLUG

29

01010-61470

BOLT

30

01010-61460

BOLT

31

01643-31445

WASHER

32

723-46-17560

PLATE

33

01643-51032

WASHER

34

01010-81040

BOLT

Выбрано товаров: 42