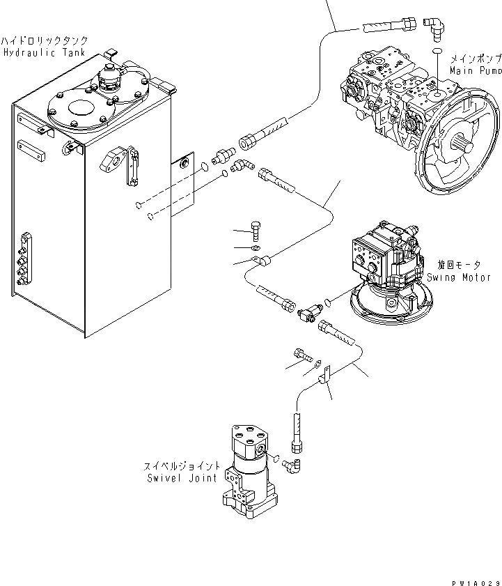
Запчасти Komatsu PC228USLC-3-AP ВОЗВРАТН. ЛИНИЯ(№-) ГИДРАВЛИКА

Схема запчастей Komatsu PC228USLC-3-AP - ВОЗВРАТН. ЛИНИЯ(№-) ГИДРАВЛИКА
1
2
3
4
5
6
7
8
9
FIT
1:1
100%

Артикул

Название

Примечание

Количество

1

22U-62-22630

HOSE

2

07621-00507

HOSE

|2

22U-62-22171

HOSE

3

07621-00509

HOSE

4

04434-52512

CLIP

5

01010-81225

BOLT

6

01643-31232

WASHER

7

04434-52512

CLIP

|7

04434-52712

CLIP

8

01010-81225

BOLT

9

01643-31232

WASHER

Выбрано товаров: 11