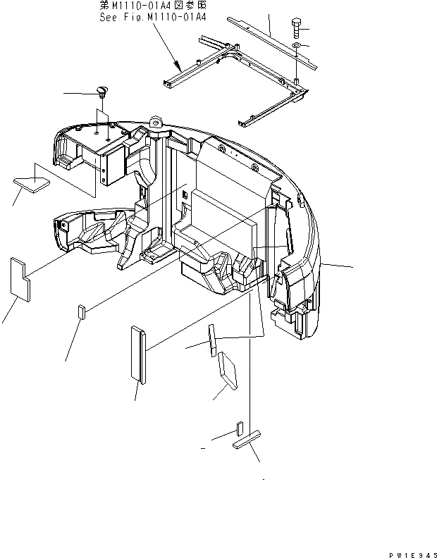
Запчасти Komatsu PC228USLC-3 ПРОТИВОВЕС (KG) (YELНИЗ.)(№7-) ЧАСТИ КОРПУСА

Схема запчастей Komatsu PC228USLC-3 - ПРОТИВОВЕС (KG) (YELНИЗ.)(№7-) ЧАСТИ КОРПУСА
1
2
2
3
4
5
6
7
8
9
10
11
12
FIT
1:1
100%

Артикул

Название

Примечание

Количество

1

22U-46-23632

WEIGHT

2

22U-46-23290

SHEET

3

22U-46-23310

SHEET

4

22U-46-23440

SHEET

5

22U-46-23450

SHEET

6

22U-46-23460

SHEET

7

22U-46-23480

SHEET

8

22U-46-23530

SHEET

9

22L-46-12150

CAP

10

22U-54-23410YN

COVER

11

01010-81220

BOLT

12

01643-31232

WASHER

Выбрано товаров: 12