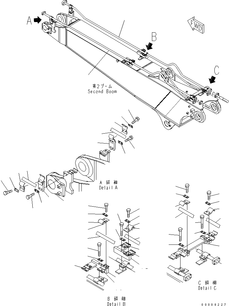
Запчасти Komatsu PC228USLC-3 2-СЕКЦИОНН. СТРЕЛА (ДОПОЛН. ЛИНИЯ) (ВТОР. СТРЕЛА)(№-88) РАБОЧЕЕ ОБОРУДОВАНИЕ

Схема запчастей Komatsu PC228USLC-3 - 2-СЕКЦИОНН. СТРЕЛА (ДОПОЛН. ЛИНИЯ) (ВТОР. СТРЕЛА)(№-88) РАБОЧЕЕ ОБОРУДОВАНИЕ
1
1
1
1
2
2
2
2
3
4
4
5
5
6
6
7
7
8
8
9
10
11
12
13
14
15
15
16
16
17
17
18
18
19
19
20
20
21
21
22
22
23
23
24
24
25
25
26
26
FIT
1:1
100%

Артикул

Название

Примечание

Количество

1

20Y-62-45820NK

TUBE

2

20Y-62-45830NK

TUBE

3

20Y-62-45560NK

BRACKET

4

01010-81285

BOLT

5

20Y-62-13450

PLATE

6

207-62-31330

CLAMP

7

01010-81230

BOLT

8

20Y-62-13450

PLATE

9

20Y-62-45570NK

BRACKET

10

205-62-73430

SEAT

11

20Y-62-13760

SEAT

12

20Y-62-45580NK

BRACKET

13

205-62-73430

SEAT

14

20Y-62-13760

SEAT

15

01010-81285

BOLT

16

20Y-62-13450

PLATE

17

207-62-52430NK

CLAMP

18

205-62-73430

SEAT

19

01010-81230

BOLT

20

20Y-62-13450

PLATE

21

20Y-62-45381NK

BRACKET

22

01010-81230

BOLT

23

20Y-62-13450

PLATE

24

207-62-31330NK

CLAMP

25

01010-81230

BOLT

26

20Y-62-13450

PLATE

Выбрано товаров: 26