Запчасти Komatsu PC228USLC-3 ЛИНИЯ ПОДАЧИ ГИДРАВЛИКА

Схема запчастей Komatsu PC228USLC-3 - ЛИНИЯ ПОДАЧИ ГИДРАВЛИКА
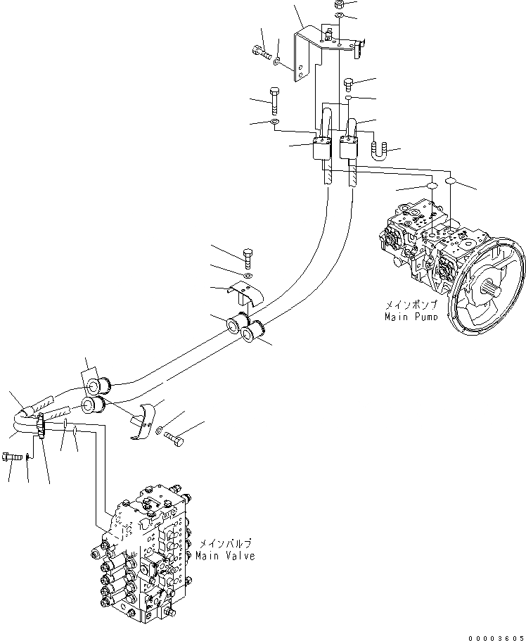
1
1
2
3
4
4
5
6
7
8
9
10
11
12
13
14
14
14
15
15
16
16
17
17
18
19
20
21
22
23
FIT
1:1
100%

Артикул

Название

Примечание

Количество

1

22U-62-26130

HOSE

2

21T-09-11460

O-RING

3

21T-09-11470

O-RING

4

22U-62-26140

HOSE

5

21T-09-11460

O-RING

6

21T-09-11470

O-RING

7

01011-81005

BOLT

8

01643-51032

WASHER

9

07040-11007

PLUG

10

07002-11023

O-RING

11

07371-31049

FLANGE

12

07372-21035

BOLT

13

01643-51032

WASHER

14

22U-62-22530

CUSHION

15

22U-62-26150

CLAMP

16

01010-81290

BOLT

17

01643-31232

WASHER

18

22U-62-21213

BRACKET

19

01010-81230

BOLT

20

01643-31232

WASHER

21

07283-34346

CLIP

22

01597-01009

NUT

23

01643-31032

WASHER

Выбрано товаров: 0