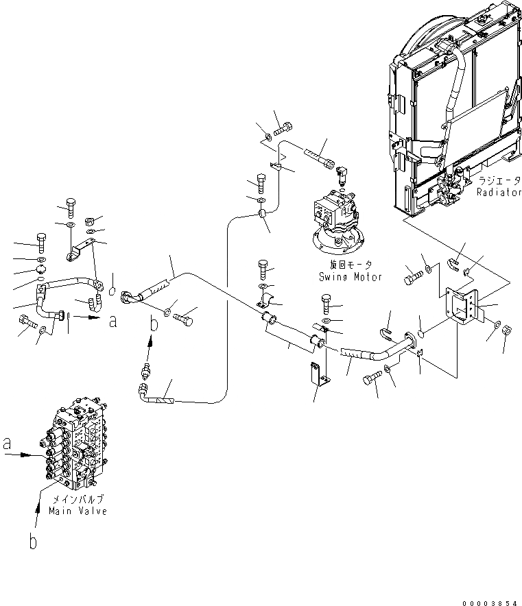
Запчасти Komatsu PC228USLC-3 МАСЛООХЛАДИТЕЛЬ ЛИНИЯ ГИДРАВЛИКА

Схема запчастей Komatsu PC228USLC-3 - МАСЛООХЛАДИТЕЛЬ ЛИНИЯ ГИДРАВЛИКА
1
2
3
4
5
6
7
8
9
9
10
11
12
13
14
15
16
16
17
18
19
20
21
22
23
24
24
25
26
27
28
29
30
31
32
33
34
35
36
37
38
39
40
41
41
42
42
FIT
1:1
100%

Артикул

Название

Примечание

Количество

1

22U-62-21251

TUBE

2

07000-13045

O-RING

3

01010-81245

BOLT

4

01643-31232

WASHER

5

195-60-41420

PLATE

6

01010-81025

BOLT

7

01643-31032

WASHER

8

07000-13032

O-RING

9

22U-62-25891

HOSE

9

22U-62-25890

HOSE

10

07000-13048

O-RING

11

07000-13038

O-RING

12

01010-81240

BOLT

13

01643-31232

WASHER

14

01010-81040

BOLT

15

01643-31032

WASHER

16

22U-62-21243

HOSE

16

22U-62-21242

HOSE

17

22U-62-21261

BRACKET

18

01010-81225

BOLT

19

01643-31232

WASHER

20

07283-33442

CLIP

21

01597-01009

NUT

22

01643-31032

WASHER

23

22U-62-26170

BRACKET

24

22U-62-21281

CLAMP

25

07095-01038

CUSHION

26

01010-81230

BOLT

26

01010-81250

BOLT

27

01643-31232

WASHER

28

01010-81230

BOLT

29

01643-31232

WASHER

30

22U-62-26211

BRACKET

30

22U-62-26210

BRACKET

31

01010-81225

BOLT

32

01643-31232

WASHER

33

07283-34354

CLIP

34

07283-33450

CLIP

34

07283-34354

CLIP

35

07283-54353

SEAT

36

07283-53444

SEAT

36

07283-54353

SEAT

37

01597-01009

NUT

38

01643-31032

WASHER

39

04434-53212

CLIP

40

20Y-62-15951

CLIP

41

01010-81225

BOLT

42

01643-31232

WASHER

Выбрано товаров: 48