Запчасти Komatsu PC228USLC-3E0 ОСНОВН. ЛИНИЯ PPC (ШЛАНГИ) ГИДРАВЛИКА

Схема запчастей Komatsu PC228USLC-3E0 - ОСНОВН. ЛИНИЯ PPC (ШЛАНГИ) ГИДРАВЛИКА
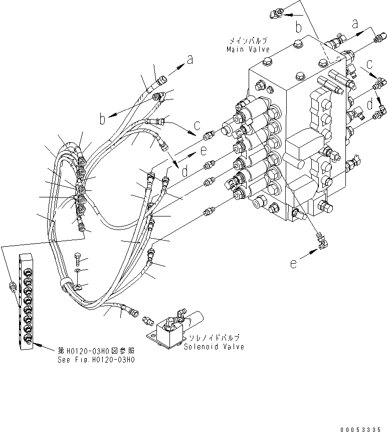
1
1
2
2
3
3
4
4
5
5
6
6
7
7
8
8
9
9
10
10
11
11
12
12
13
13
14
14
15
15
16
16
17
17
18
19
20
FIT
1:1
100%

Артикул

Название

Примечание

Количество

1

207-62-71870

HOSE

2

208-62-72120

HOSE, 1300MM

3

208-62-72540

HOSE, 800MM

4

22U-62-29620

HOSE, 1150MM

5

22U-62-31570

HOSE, 1100MM

6

20Y-62-22820

BAND, BLUE

7

20Y-62-22830

BAND, WHITE

8

20Y-62-22850

BAND, GREEN

9

20Y-62-22860

BAND, BROWN

10

20Y-62-51870

HOSE, 700MM

11

20Y-62-51930

HOSE, 650MM

12

22U-62-29610

HOSE, 600MM

13

22U-62-29630

HOSE, 1250MM

14

20Y-62-22790

BAND, RED

15

20Y-62-22810

BAND, YELLOW

16

20Y-62-22830

BAND, WHITE

17

20Y-62-22840

BAND, BLACK

18

04434-53212

CLIP

19

01010-81225

BOLT

20

01643-31232

WASHER

Выбрано товаров: 20