Запчасти Komatsu PC228USLC-3E0 ОСНОВН. КОНСТРУКЦИЯ (КОНСОЛЬ) (ВЕРХН.) (ЛЕВ.) (ДЛЯ OVERSEAS)(№-) КАБИНА ОПЕРАТОРА И СИСТЕМА УПРАВЛЕНИЯ

Схема запчастей Komatsu PC228USLC-3E0 - ОСНОВН. КОНСТРУКЦИЯ (КОНСОЛЬ) (ВЕРХН.) (ЛЕВ.) (ДЛЯ OVERSEAS)(№-) КАБИНА ОПЕРАТОРА И СИСТЕМА УПРАВЛЕНИЯ
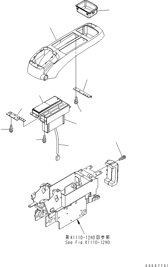
1
2
3
4
5
6
7
7
7
8
9
FIT
1:1
100%

Артикул

Название

Примечание

Количество

1

22B-979-1672

PANEL ASS'Y

2

22B-979-1780

WIRING HARNESS

3

22U-43-22550

COVER

4

22U-43-22210

COVER

5

22U-43-22220

PLATE

6

22U-43-22231

STAY

7

01023-60516

SCREW

8

01023-60620

SCREW

9

22U-43-22110

TRAY

Выбрано товаров: 9