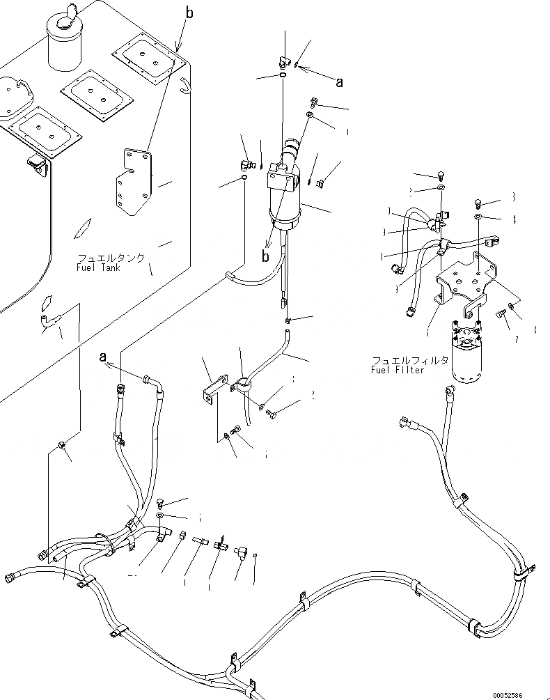
Запчасти Komatsu PC228USLC-3E0 ТОПЛИВНАЯ ЛИНИЯ (PRE-ФИЛЬТР. И REMOTO ДРЕНАЖН.) ТОПЛИВН. БАК. AND КОМПОНЕНТЫ

Схема запчастей Komatsu PC228USLC-3E0 - ТОПЛИВНАЯ ЛИНИЯ (PRE-ФИЛЬТР. И REMOTO ДРЕНАЖН.) ТОПЛИВН. БАК. AND КОМПОНЕНТЫ
1
2
3
4
4
5
5
6
6
7
8
9
10
11
12
13
14
15
16
17
17
18
18
19
20
21
22
23
24
25
26
27
28
29
29
30
30
31
32
33
34
FIT
1:1
100%

Артикул

Название

Примечание

Количество

1

6754-71-7402

FILTER ASS'Y

1

6754-71-7401

FILTER ASS'Y

2

07270-00842

TUBE

3

07285-00100

CLIP

4

02782-10311

ELBOW

5

02896-11009

O-RING

6

07002-11423

O-RING

7

07040-11409

PLUG

8

07002-11423

O-RING

9

07372-21235

BOLT

10

01643-51232

WASHER

11

04434-53212

CLIP

12

01010-81225

BOLT

13

01643-31232

WASHER

14

203-06-61730

BRACKET

15

01010-81235

BOLT

16

01643-31232

WASHER

17

22U-04-21191

HOSE ASS'Y

18

11Y-09-11140

CLIP

19

154-04-11540

NIPPLE

20

07700-50240

VALVE

21

22U-04-12230

TEE

22

07043-A0108

PLUG

23

04434-51612

CLIP

24

01010-81225

BOLT

25

01643-31232

WASHER

26

22U-01-27132

BRACKET

27

01010-81225

BOLT

28

01643-31232

WASHER

29

04434-52112

CLIP

30

198-06-53550

CUSHION

31

01010-81225

BOLT

32

01643-31232

WASHER

33

01010-80825

BOLT

34

01643-30823

WASHER

Выбрано товаров: 35