Запчасти Komatsu PC228USLC-3E0 ПЕРЕГОРОДКА. (COVER) (/) ЧАСТИ КОРПУСА

Схема запчастей Komatsu PC228USLC-3E0 - ПЕРЕГОРОДКА. (COVER) (/) ЧАСТИ КОРПУСА
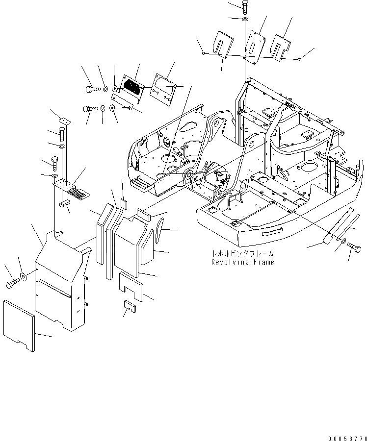
1
2
3
4
5
6
7
8
9
10
11
12
13
14
15
16
17
18
19
20
21
22
23
24
25
26
27
28
29
30
31
32
33
34
35
36
37
37
38
39
FIT
1:1
100%

Артикул

Название

Примечание

Количество

|$5

22U-54-26691

COVER

|$6

22U-54-26690

COVER

1

COVER

2

22U-54-22812

SHEET

3

22U-54-22850

SHEET

4

22U-54-23250

SHEET

5

22U-54-23662

SHEET

5

22U-54-23661

SHEET

6

22U-54-29781

SHEET

6

22U-54-29780

SHEET

7

22U-54-23680

SHEET

8

22U-54-26970

SHEET

9

22U-54-29180

SHEET

10

22U-54-29771

SHEET

10

22U-54-29770

SHEET

11

22U-54-29670

SHEET

|$22

22U-54-26250

COVER

12

COVER

13

22U-03-27680

SHEET

14

01010-81220

BOLT

15

01643-31232

WASHER

16

22U-00-28120

PLATE

17

01010-81225

BOLT

18

175-54-34170

WASHER

19

01010-81230

BOLT

20

01643-31232

WASHER

|$39

22U-54-23330

COVER

21

PLATE

22

22U-54-22691

SHEET

23

01010-81230

BOLT

24

01643-31232

WASHER

25

205-54-76411

COLLAR

26

22U-54-22680

PLATE

27

01010-81230

BOLT

28

01643-31232

WASHER

29

205-54-76411

COLLAR

|$55

22U-54-23340

COVER

30

COVER

31

22U-54-11960

SEAL

32

01010-81225

BOLT

33

01643-31232

WASHER

|$63

22U-54-29570

COVER ASS'Y

34

COVER

35

22U-54-29730

SHEET

36

22U-54-29960

SHEET

37

124-A62-1920

CAP

38

01010-81225

BOLT

39

175-54-34170

WASHER

Выбрано товаров: 0