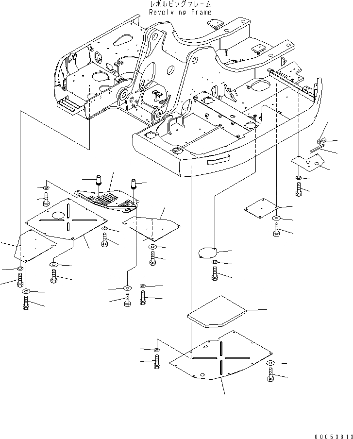
Запчасти Komatsu PC228USLC-3E0 НИЖН. КРЫШКА ЧАСТИ КОРПУСА

Схема запчастей Komatsu PC228USLC-3E0 - НИЖН. КРЫШКА ЧАСТИ КОРПУСА
1
2
3
4
4
5
6
7
8
9
10
11
12
13
14
14
15
16
17
18
19
20
21
22
23
24
25
26
27
28
29
30
31
32
33
34
35
36
37
38
FIT
1:1
100%

Артикул

Название

Примечание

Количество

1

22U-54-28770

COVER

|$4

22U-54-24721

COVER

2

COVER

3

22U-54-24680

SHEET

4

22U-54-24641

COVER

5

01010-81230

BOLT

6

01643-31232

WASHER

7

01010-81230

BOLT

8

175-54-34170

WASHER

9

01010-81230

BOLT

10

01643-31232

WASHER

11

01010-81230

BOLT

12

175-54-34170

WASHER

|$23

22U-54-25990

COVER

13

COVER

14

22U-54-24760

GROMMET

|$27

22U-54-28390

COVER

15

COVER

16

22U-54-26950

SHEET

17

22U-54-26960

SHEET

18

22U-54-26980

SHEET

19

207-54-51440

PLATE

20

20Y-54-61870

COVER

21

01010-81225

BOLT

22

01643-31232

WASHER

23

01010-81225

BOLT

24

175-54-34170

WASHER

25

01010-81220

BOLT

26

01643-31232

WASHER

27

01010-81220

BOLT

28

175-54-34170

WASHER

29

01010-81225

BOLT

30

01643-31232

WASHER

31

01010-81230

BOLT

32

01643-31232

WASHER

33

01010-81230

BOLT

34

175-54-34170

WASHER

35

01010-81230

BOLT

36

01643-31232

WASHER

37

01010-81230

BOLT

38

175-54-34170

WASHER

Выбрано товаров: 41