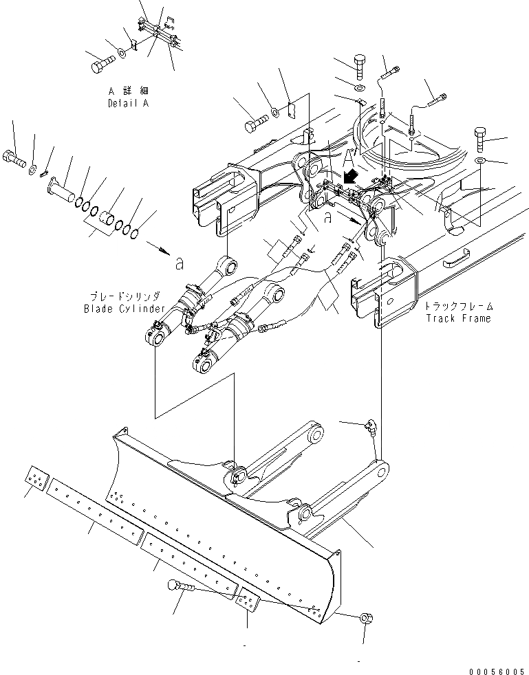
Запчасти Komatsu PC228USLC-3E0 ОТВАЛ (LC) РАБОЧЕЕ ОБОРУДОВАНИЕ

Схема запчастей Komatsu PC228USLC-3E0 - ОТВАЛ (LC) РАБОЧЕЕ ОБОРУДОВАНИЕ
1
2
3
4
5
5
6
6
7
8
9
10
11
12
13
13
14
14
15
16
17
17
18
18
19
19
19
19
19
19
20
21
22
23
23
24
24
24
25
25
26
26
27
28
29
30
30
FIT
1:1
100%

Артикул

Название

Примечание

Количество

1

22U-71-11122

BLADE ASS'Y

2

707-76-90270

BUSHING

3

07145-00090

SEAL

4

07020-00900

FITTING

5

130-Z20-1510

EDGE

6

22U-71-11130

CUTTING EDGE

7

02090-11270

BOLT

8

02290-11219

NUT

9

207-70-31210

PIN

10

01010-81235

BOLT

11

01643-31232

WASHER

12

205-70-66580

PLATE

13

207-70-24190

SPACER 0.8MM

14

207-70-24210

SPACER 1.5MM

15

02756-005A4

HOSE

16

02756-005A6

HOSE

17

22U-62-32130

TUBE

18

22U-62-32140

TUBE

19

02896-11015

O-RING

20

22U-71-81490

BRACKET

21

01010-81235

BOLT

22

01643-31232

WASHER

23

203-70-53381

PLATE

24

203-62-58810

CUSHION

25

01010-81025

BOLT

26

01643-31032

WASHER

27

22U-71-81540

COVER

28

01010-81220

BOLT

29

01643-31232

WASHER

30

02756-20509

HOSE

Выбрано товаров: 30