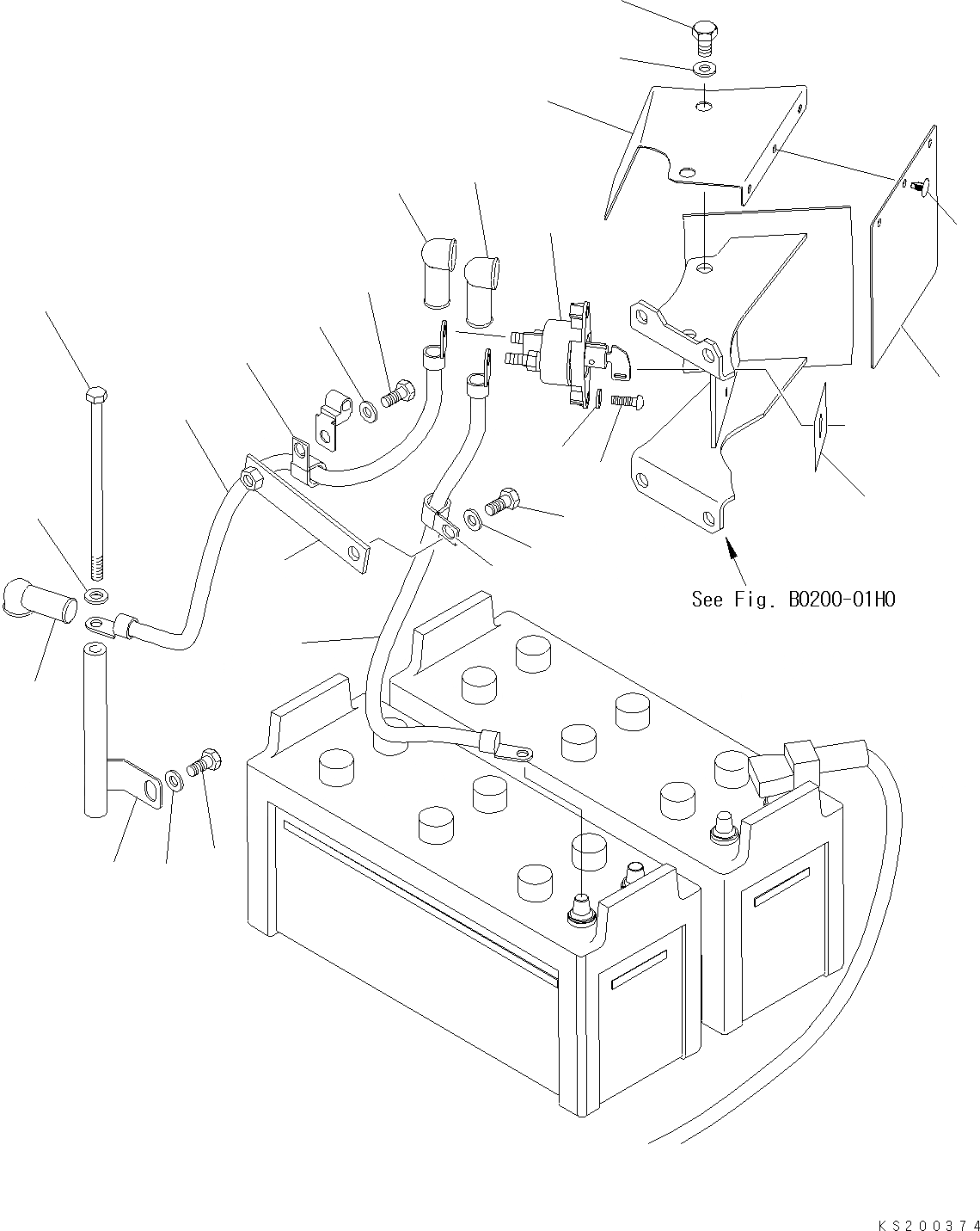
Запчасти Komatsu PC228USLC-3E0 АККУМУЛЯТОР DISCONNECT ПЕРЕКЛЮЧАТЕЛЬ (№7-UP) ЭЛЕКТРИКА

Схема запчастей Komatsu PC228USLC-3E0 - АККУМУЛЯТОР DISCONNECT ПЕРЕКЛЮЧАТЕЛЬ (№7-UP) ЭЛЕКТРИКА
15
16
24
23
25
11
14
18
7
9
10
8
6
2
3
7
1
5
4
17
19
20
22
21
12
13
FIT
1:1
100%

Артикул

Название

Примечание

Количество

1

22U-06-28231

SPACER

2

562-15-16410

BOLT

3

01643-31032

WASHER

4

01010-81225

BOLT

5

01643-31232

WASHER

6

08028-EC070

CABLE

7

08038-06031

CAP

8

04434-51912

CLIP

9

01010-81225

BOLT

10

01643-31232

WASHER

11

08068-00001

SWITCH (BATTERY)

12

01245-00825

BOLT

13

01643-70823

WASHER

14

22U-01-31271

COVER

15

01010-81225

BOLT

16

01643-31232

WASHER

17

08028-EC060

CABLE

18

08038-06031

CAP

19

207-977-5120

BRACKET

20

04434-51912

CLIP

21

01010-81225

BOLT

22

01643-31232

WASHER

23

22U-01-31290

COVER

24

20T-54-74510

CAP

25

09697-00001

PLATE (DECAL)

Выбрано товаров: 25