Запчасти Komatsu PC228USLC-3N-YP ОХЛАЖД-Е (КОЖУХ) СИСТЕМА ОХЛАЖДЕНИЯ

Схема запчастей Komatsu PC228USLC-3N-YP - ОХЛАЖД-Е (КОЖУХ) СИСТЕМА ОХЛАЖДЕНИЯ
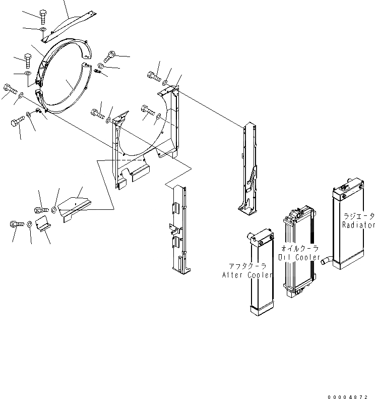
1
2
3
4
4
5
5
6
6
7
8
9
10
11
11
12
12
13
14
15
16
17
18
19
20
21
22
23
FIT
1:1
100%

Артикул

Название

Примечание

Количество

1

22U-03-22190

SHROUD

2

01010-81020

BOLT

3

01643-31032

WASHER

4

01010-81025

BOLT

5

01643-31032

WASHER

6

22U-03-21321

SHROUD

7

01010-81020

BOLT

8

203-54-56970

WASHER

9

22U-03-21770

BRACKET

10

22U-03-21780

BRACKET

11

01010-81025

BOLT

12

01643-31032

WASHER

13

01010-81030

BOLT

14

01643-31032

WASHER

15

22U-03-22210

BRACKET

16

01010-81020

BOLT

17

01643-31032

WASHER

18

22U-03-22220

COVER

19

01010-81020

BOLT

20

01643-31032

WASHER

21

22U-03-22290

COVER

22

01010-81020

BOLT

23

01643-31032

WASHER

Выбрано товаров: 23