Запчасти Komatsu PC228USLC-3S ОСНОВН. КОНСТРУКЦИЯ (ЭЛЕКТР.)(№-) КАБИНА ОПЕРАТОРА И СИСТЕМА УПРАВЛЕНИЯ

Схема запчастей Komatsu PC228USLC-3S - ОСНОВН. КОНСТРУКЦИЯ (ЭЛЕКТР.)(№-) КАБИНА ОПЕРАТОРА И СИСТЕМА УПРАВЛЕНИЯ
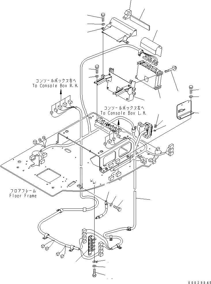
1
2
3
4
5
6
7
8
9
10
11
12
13
14
15
16
17
18
19
20
21
22
23
24
25
FIT
1:1
100%

Артикул

Название

Примечание

Количество

1

22U-06-22212

BRACKET

1

22U-06-22211

BRACKET

2

01010-81020

BOLT

3

01643-31032

WASHER

4

08053-00910

CLIP

5

22U-43-21411

BRACKET

6

01010-D1020

BOLT

7

20Y-54-65330

WASHER

8

7835-20-1002

CONTROLLER

8

7835-20-1001

CONTROLLER,GPC

8

7835-20-1000

CONTROLLER,GPC

9

01435-00880

BOLT

10

22U-43-21421

COVER

11

01010-D1020

BOLT

12

01643-71032

WASHER

13

22U-06-22270

SHEET

14

22U-06-22280

SHEET

15

22U-06-22221

BRACKET

16

01010-81020

BOLT

17

01643-31032

WASHER

18

08028-43030

CABLE, GROUND

19

01010-81020

BOLT

20

01643-31032

WASHER

21

22U-06-22261

SHEET

22

22U-06-22770

WIRING HARNESS

22

22U-06-22180

WIRING HARNESS

22

20Y-06-25240

DIODE, 1.5A

22

20Y-06-25250

DIODE, 1.5A

22

20Y-06-25260

DIODE, 1.5A

23

08041-01000

FUSE, 10A

24

08041-02000

FUSE, 20A

25

08041-02500

FUSE, 25A

Выбрано товаров: 32