Запчасти Komatsu PC228USLC-3S БЛОК КОНДИЦИОНЕРА (/)(№-) ОСНОВН. КОМПОНЕНТЫ И РЕМКОМПЛЕКТЫ

Схема запчастей Komatsu PC228USLC-3S - БЛОК КОНДИЦИОНЕРА (/)(№-) ОСНОВН. КОМПОНЕНТЫ И РЕМКОМПЛЕКТЫ
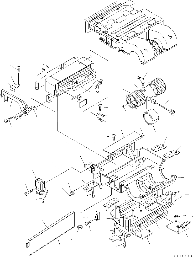
1
2
3
4
5
6
7
8
9
10
11
12
13
14
15
16
17
18
19
20
21
22
23
24
25
26
27
28
29
30
31
32
33
34
34
35
36
36
37
38
39
40
41
42
43
44
45
FIT
1:1
100%

Артикул

Название

Примечание

Количество

|$1

22B-979-1660

AIRCON UNIT A.

1

TW534136-9321

CASE ASS'Y

2

TW534461-8902

COVER

|$4

22B-979-1730

FILTER

3

FILTER

4

LINING

5

TW503700-3990

EVAPORATOR ASS'Y

6

TW580534-1500

CLIP

7

TW580534-1600

CLIP

8

TW012114-1240

SCREW

9

TW534057-3520

PIPE

9

TW581520-9300

O-RING

|$13

TW534057-3720

PIPE ASS'Y

10

TW534057-3620

PIPE

10

TW581520-9700

O-RING

11

TW582532-0700

PRESSURE SWITCH

11

TW596092-0300

O-RING

12

TW020058-3040

BOLT

13

TW020046-3040

BOLT

14

TW580534-1900

CLIP

15

TW580534-2000

CLIP

16

TW592022-3700

SCREW

|$23

TW502725-1730

FAN MOTOR

17

MOTOR

18

IMPELLER

19

TW592050-0500

RING, SNAP

20

TW534510-5200

HOSE

21

TW592405-1700

ISOLATOR

22

TW536021-5200

WIRING HARNESS

23

TW582571-4300

RESISTOR

24

TW012514-1640

TAPPING SCREW

25

TW523100-0700

PLATE

26

TW502752-3250

MOTOR ACTUATOR

27

TW580140-0300

TAPPING SCREW

28

TW534270-7920

DOOR

29

TW534470-9200

LEVER

30

TW592055-0900

CLIP

31

TW536160-2100

ROD

32

TW534104-4300

BRACKET

33

TW534104-4400

BRACKET

34

TW534104-5000

BRACKET

35

TW592022-3700

SCREW

36

TW012514-1640

TAPPING SCREW

37

TW580521-7700

CLIP

38

TW592024-1800

CLIP

39

TW534190-0300

LINING

40

TW534234-6300

SEAL

41

TW012153-0640

SCREW

42

TW534280-1500

SHAFT

43

TW534104-7300

BRACKET

44

TW534104-7500

BRACKET

45

TW029200-6240

NUT

Выбрано товаров: 52