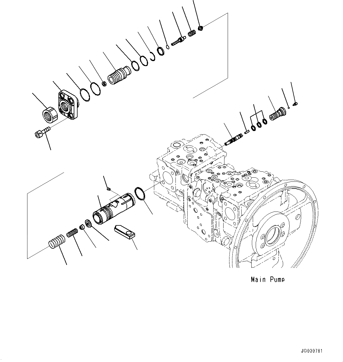
Запчасти Komatsu PC228USLC-8 ОСНОВН. ПОРШЕНЬ НАСОС, ВНУТР. ЧАСТИ, (8/) (№-7) ОСНОВН. ПОРШЕНЬ НАСОС (№-7)

Схема запчастей Komatsu PC228USLC-8 - ОСНОВН. ПОРШЕНЬ НАСОС, ВНУТР. ЧАСТИ, (8/) (№-7) ОСНОВН. ПОРШЕНЬ НАСОС (№-7)
4
5
6
11
1
8
7
9
10
13
17
18
25
27
23
24
26
28
20
19
21
16
22
14
15
12
29
2
3
FIT
1:1
100%

Артикул

Название

Примечание

Количество

|$0

708-2L-00900

Pump Assembly

|$1

708-2L-01900

Pump Subassembly

1

708-2L-34180

Slider

1

708-2L-07410

Valve Assembly, PC

1

708-2L-07420

Piston Assembly, Servo

2

Piston, Servo

3

Screw

4

708-2L-35680

Seal

5

708-2L-35260

Plug

6

708-2L-35760

Ball

7

708-2L-35770

Plug

8

708-2L-35690

Seal

9

708-2L-35280

Pin

10

708-2L-35860

Spool

11

708-2L-35630

Retainer

12

708-2L-35641

Seat

13

708-2L-35240

Spring

14

708-2L-35730

Spring

15

708-2L-35650

Seat

16

708-2L-35250

Spring

17

708-2L-34330

Screw

18

07000-B3034

O-Ring

19

708-2L-35210

Ring, Back-up

20

708-2L-35710

Seal

21

708-2L-35270

Plug

22

07000-B2011

O-Ring

23

07000-B3045

O-Ring

24

708-2L-35750

Ring

25

708-2L-34310

Cover

26

01580-10806

Nut

27

708-2L-35290

Nut

28

708-2L-35670

Ring

29

01252-61440

Bolt, Hexagon Socket Head

Выбрано товаров: 33