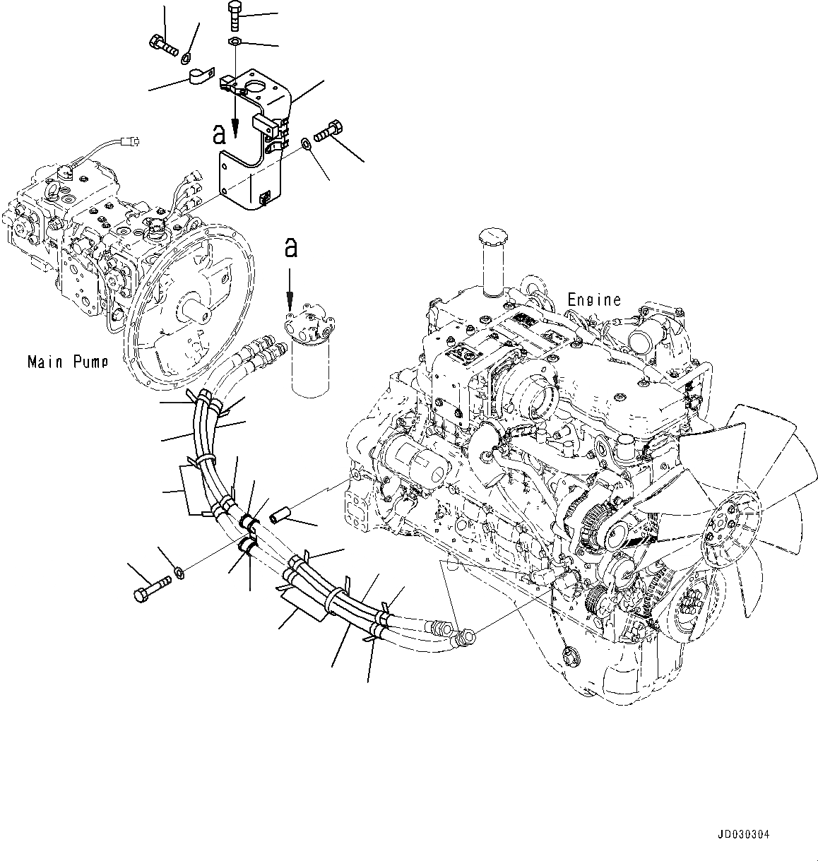
Запчасти Komatsu PC228USLC-8 ДЕМПФЕР, УДАЛЕННЫЙ ФИЛЬТР КОМПОНЕНТЫ ДЕМПФЕР

Схема запчастей Komatsu PC228USLC-8 - ДЕМПФЕР, УДАЛЕННЫЙ ФИЛЬТР КОМПОНЕНТЫ ДЕМПФЕР
1
2
3
4
5
6
7
8
9
10
11
12
13
14
15
10
9
15
14
14
14
14
14
14
14
15
15
FIT
1:1
100%

Артикул

Название

Примечание

Количество

1

22U-62-34121

Bracket

2

01010-80825

Bolt

3

01643-30823

Washer

4

01010-81230

Bolt

5

01643-31232

Washer

6

04434-50812

Clip

7

01010-81220

Bolt

8

01643-31232

Washer

9

198-06-53630

Cushion

10

04434-53412

Clip

11

20Y-03-11220

Collar

12

01010-81260

Bolt

13

01643-31232

Washer

14

08034-20536

Band

15

20Y-01-41250

Cover

Выбрано товаров: 0