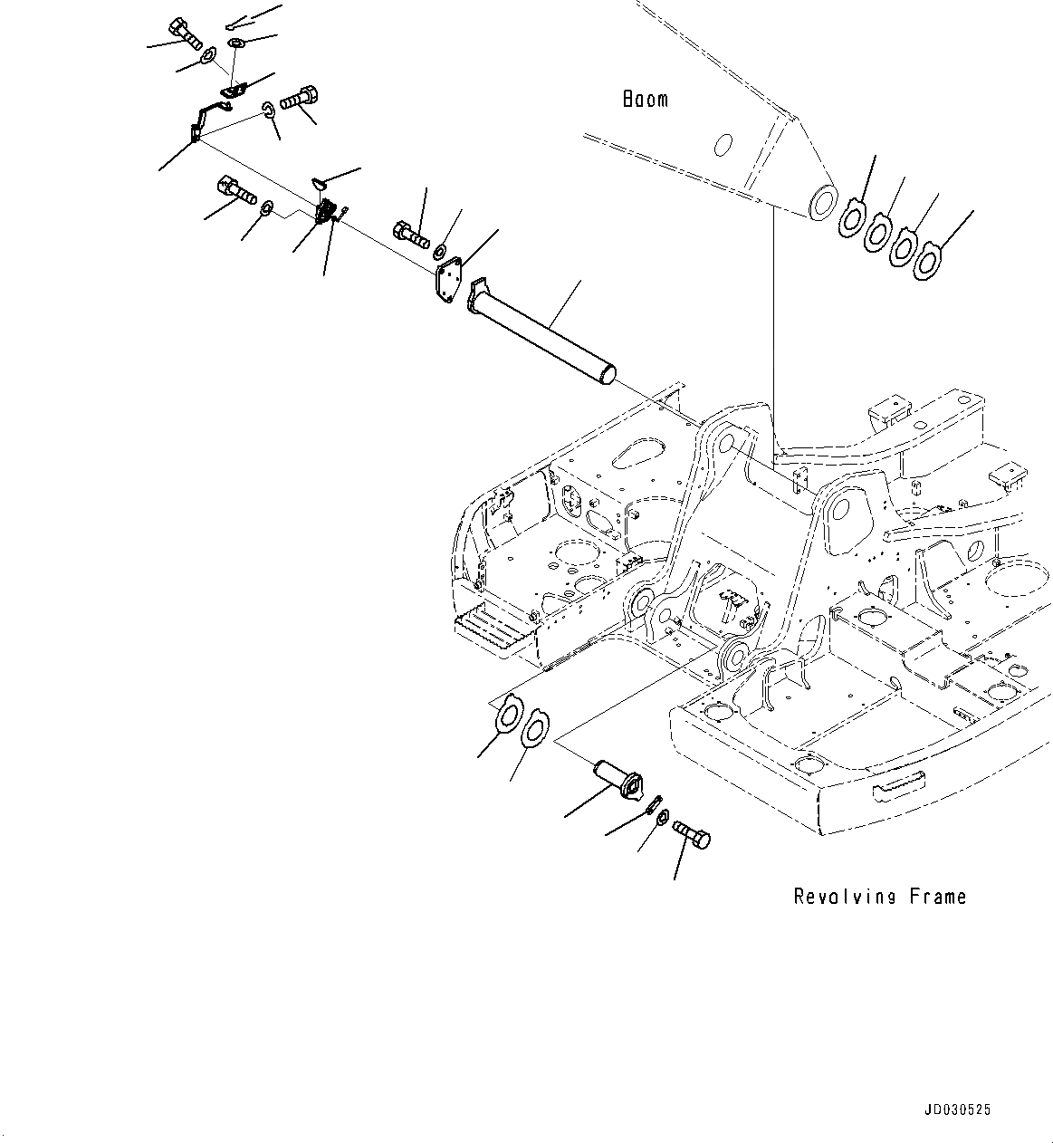
Запчасти Komatsu PC228USLC-8 СТРЕЛА НИЖН. ПАЛЕЦ, ДЛЯ СТРАН ЕС СТРЕЛА НИЖН. ПАЛЕЦ, ДЛЯ СТРАН ЕС

Схема запчастей Komatsu PC228USLC-8 - СТРЕЛА НИЖН. ПАЛЕЦ, ДЛЯ СТРАН ЕС СТРЕЛА НИЖН. ПАЛЕЦ, ДЛЯ СТРАН ЕС
1
2
4
3
22
23
24
15
20
19
16
17
18
25
26
21
27
14
13
9
10
12
11
5
6
7
8
FIT
1:1
100%

Артикул

Название

Примечание

Количество

1

206-70-55160

Pin

2

22U-70-31150

Plate

3

01010-61640

Bolt

4

01643-31645

Washer

5

20Y-70-31541

Spacer, T=2.0mm

6

20Y-70-31551

Spacer, T=2.5mm

7

20Y-70-31561

Spacer, T=3.0mm

8

20Y-70-31571

Spacer, T=3.5mm

9

205-70-71210

Pin

10

205-70-66580

Plate

11

01010-81235

Bolt

12

01643-31232

Washer

13

21K-70-71630

Spacer, T=1.0mm

14

21K-70-71640

Spacer, T=2.0mm

15

22U-70-21181

Bracket

16

01010-81230

Bolt

17

175-54-34170

Washer

18

22U-70-21172

Lever

19

04050-13022

Pin, Cotter

20

01641-21223

Washer

21

7861-93-8710

Sensor

22

04010-00310

Key, Woodruff

23

01010-80835

Bolt

24

01602-20825

Washer, Spring

25

01010-81030

Bolt

26

01643-31032

Washer

27

20U-70-41560

Cushion

Выбрано товаров: 27