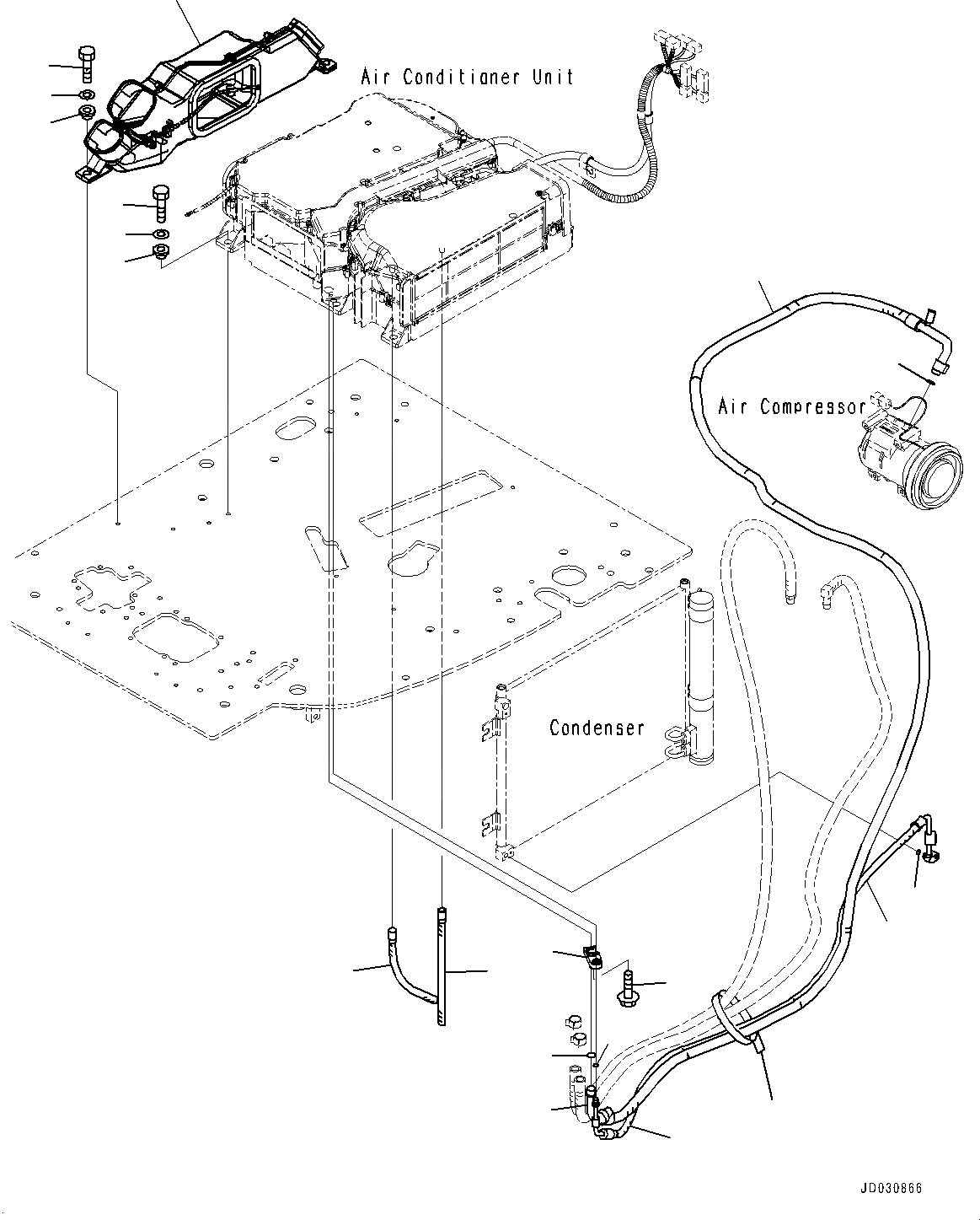
Запчасти Komatsu PC228USLC-8 КАБИНА, ПАТРУБКИ КОНДИЦИОНЕРА OPERATORґS КАБИНА

Схема запчастей Komatsu PC228USLC-8 - КАБИНА, ПАТРУБКИ КОНДИЦИОНЕРА OPERATORґS КАБИНА
7
1
2
3
4
12
8
10
11
12
13
14
15
9
6
5
13
10
11
16
FIT
1:1
100%

Артикул

Название

Примечание

Количество

1

01010-80825

Bolt

2

01643-30823

Washer

3

208-979-7540

Collar

4

22B-979-2781

Duct

5

01010-80825

Bolt

6

01643-30823

Washer

7

208-979-7540

Collar

8

208-979-7640

Hose, L=300mm

9

22P-979-1870

Hose

10

22U-979-2511

Hose

11

20Y-979-3150

O-Ring

12

22U-979-2522

Hose

13

20Y-979-3130

O-Ring

14

208-979-7650

Connector

15

01435-40620

Bolt

16

08034-20536

Band

Выбрано товаров: 16