Качественные детали и логистика
Оригинальные и аналоговые запчасти с доставкой по России, Казахстану и Беларуси
©2022 PartSell ООО "Система" ИНН 2463123282 ОГРН 1212400004838
Центральный офис: г. Красноярск, Академика Киренского, д.87, пом.4
Телефон: 8 (800) 777-65-74 Email: zakaz@partsell.ru
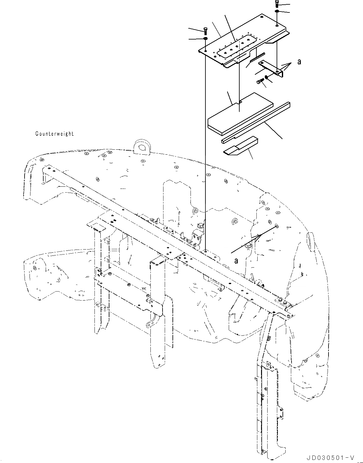
КАПОТ, БЕЗ PRE-CREANER, COVER
№
Артикул
Название
Примечание
Количество
|$0
22U-54-32240
Cover Assembly
1
Cover
2
22U-54-32170
Sheet
3
22U-54-32180
Seal
4
22U-54-32250
5
22U-54-32290
6
20Y-00-42110
Plate
7
01010-81230
Bolt
8
01643-31232
Washer
9
22U-54-32280
Bracket
10
11
Выбрано товаров: 0