Запчасти Komatsu PC228USLC-8 ПЕРЕГОРОДКА. COVER, COVER, ДЛЯ СТРАН ЕС (/) (№-) ПЕРЕГОРОДКА. COVER, ДЛЯ СТРАН ЕС

Схема запчастей Komatsu PC228USLC-8 - ПЕРЕГОРОДКА. COVER, COVER, ДЛЯ СТРАН ЕС (/) (№-) ПЕРЕГОРОДКА. COVER, ДЛЯ СТРАН ЕС
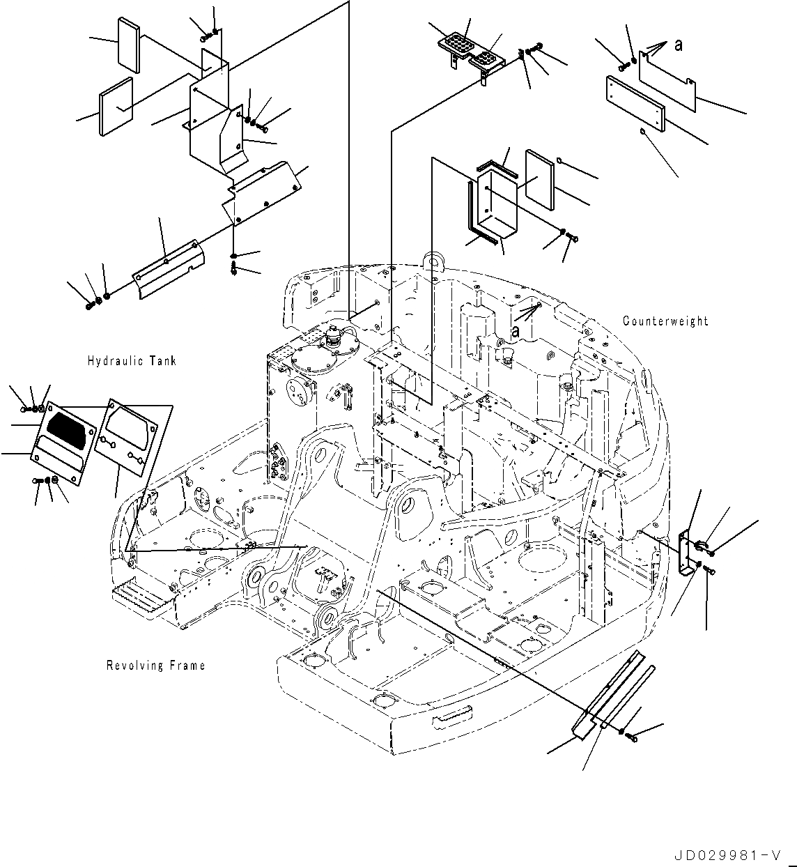
1
2
5
3
6
9
7
10
11
12
21
22
23
25
14
15
16
17
18
19
43
44
45
46
48
49
50
51
27
32
33
28
29
30
31
34
36
37
38
39
40
41
35
47
52
4
8
13
42
20
26
24
FIT
1:1
100%

Артикул

Название

Примечание

Количество

|$0

22U-54-23330

Cover

1

Plate

2

22U-54-22691

Sheet

3

01010-81230

Bolt

4

01643-31232

Washer

5

205-54-76411

Collar

6

22U-54-22680

Plate

7

01010-81230

Bolt

8

01643-31232

Washer

9

205-54-76411

Collar

|$10

22U-54-34810

Cover

10

Cover

11

22U-54-11960

Seal

12

01010-81230

Bolt

13

01643-31232

Washer

|$15

22U-54-33670

Cover

14

Cover

15

22U-54-33690

Sheet

16

124-A62-1920

Cap

17

22U-54-32680

Seal

18

22U-54-32690

Seal

19

01010-81230

Bolt

20

01643-31232

Washer

21

22U-54-32981

Bracket

22

21M-00-21280

Plate

23

21M-00-21290

Plate

24

22U-54-32660

Plate

25

01010-81230

Bolt

26

01643-31232

Washer

|$29

22U-54-32911

Cover Assembly

27

Cover

28

22U-54-32930

Sheet

29

01643-51232

Washer

30

124-54-26540

Washer

31

01010-81230

Bolt

32

22U-54-32941

Sheet

33

22U-54-33950

Sheet

34

01010-81230

Bolt

35

01643-31232

Washer

|$39

22U-54-32961

Cover Assembly

36

Cover

37

22U-54-32990

Sheet

38

01643-51232

Washer

39

124-54-26540

Washer

40

01010-81220

Bolt

41

01010-81230

Bolt

42

01643-31232

Washer

|$47

22U-54-33911

Bracket Assembly

43

Bracket

44

203-54-63230

Clamp

45

01023-20614

Screw

46

01010-81230

Bolt

47

01643-31232

Washer

|$53

22U-54-34770

Cover Assembly

48

Cover

49

22U-54-34790

Sheet

50

124-A62-1920

Cap

51

01010-81230

Bolt

52

01643-31232

Washer

Выбрано товаров: 59