Запчасти Komatsu PC228USLC-8 ЭЛЕКТРИЧ. ЭЛЕКТРОПРОВОДКА, ПРОВОДКА, ДВИГАТЕЛЬ ЭЛЕКТРИЧ. ЭЛЕКТРОПРОВОДКА, ДЛЯ СТРАН ЕС

Схема запчастей Komatsu PC228USLC-8 - ЭЛЕКТРИЧ. ЭЛЕКТРОПРОВОДКА, ПРОВОДКА, ДВИГАТЕЛЬ ЭЛЕКТРИЧ. ЭЛЕКТРОПРОВОДКА, ДЛЯ СТРАН ЕС
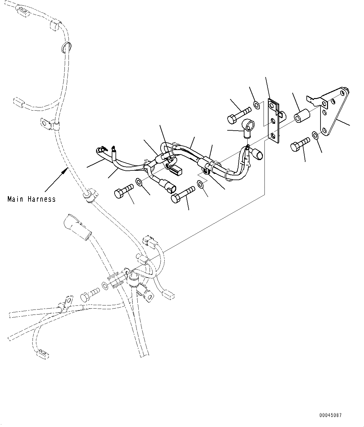
1
2
3
4
5
6
7
8
9
10
11
12
13
14
15
16
17
18
19
FIT
1:1
100%

Артикул

Название

Примечание

Количество

1

20Y-06-41351

Cable

2

08038-12027

Cap

3

20Y-06-41361

Wiring Harness

4

04434-51412

Clip

5

04434-51012

Clip

6

20Y-06-41790

Bracket

7

01010-81230

Bolt

8

01643-31232

Washer

9

20Y-03-11220

Collar

10

01010-81265

Bolt

11

01643-31232

Washer

12

04434-51412

Clip

13

04434-51012

Clip

14

01010-81230

Bolt

15

01643-31232

Washer

16

20Y-06-41770

Cable

17

20Y-06-41720

Bracket

18

01010-81265

Bolt

19

01643-31232

Washer

Выбрано товаров: 19