Запчасти Komatsu PC228USLC-8 КАБИНА, ПОЛ, ПЕРЕКЛЮЧАТЕЛЬ (№-) КАБИНА, ДЛЯ DOZER, ЕС ARRANGEMENT

Схема запчастей Komatsu PC228USLC-8 - КАБИНА, ПОЛ, ПЕРЕКЛЮЧАТЕЛЬ (№-) КАБИНА, ДЛЯ DOZER, ЕС ARRANGEMENT
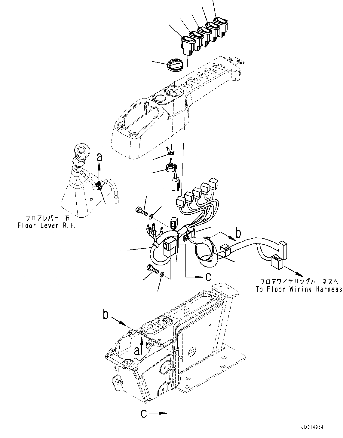
1
2
3
4
5
6
7
8
9
10
11
8
9
10
12
13
14
FIT
1:1
100%

Артикул

Название

Примечание

Количество

1

22U-06-22380

Potentiometer

2

22U-06-22460

Spring

3

20Y-43-41781

Knob

3

20Y-43-41780

Knob

4

20Y-06-42110

Switch, Lock

5

20Y-06-42121

Switch, Lamp

6

22B-06-28340

Wiring Harness

7

22U-43-23260

Clip

8

04434-51710

Clip

9

01010-81016

Bolt

10

01643-31032

Washer

11

08034-20519

Band

12

20Y-06-42130

Switch, Beacon

13

17A-06-42230

Switch

14

20Y-06-42150

Switch, Wiper

Выбрано товаров: 15