Запчасти Komatsu PC228USLC-8 КАБИНА, РАДИО (№-) КАБИНА, СИДЕНЬЕ ОПЕРАТОРА, С ВОЗД. ПОДВЕСКОЙ, ТКАНЬ, С ОТКИДН. СПИНКОЙ, НАКЛОН., -ДОПОЛН. АКТУАТОР ТРУБЫ, АККУМУЛЯТОР, DOZER

Схема запчастей Komatsu PC228USLC-8 - КАБИНА, РАДИО (№-) КАБИНА, СИДЕНЬЕ ОПЕРАТОРА, С ВОЗД. ПОДВЕСКОЙ, ТКАНЬ, С ОТКИДН. СПИНКОЙ, НАКЛОН., -ДОПОЛН. АКТУАТОР ТРУБЫ, АККУМУЛЯТОР, DOZER
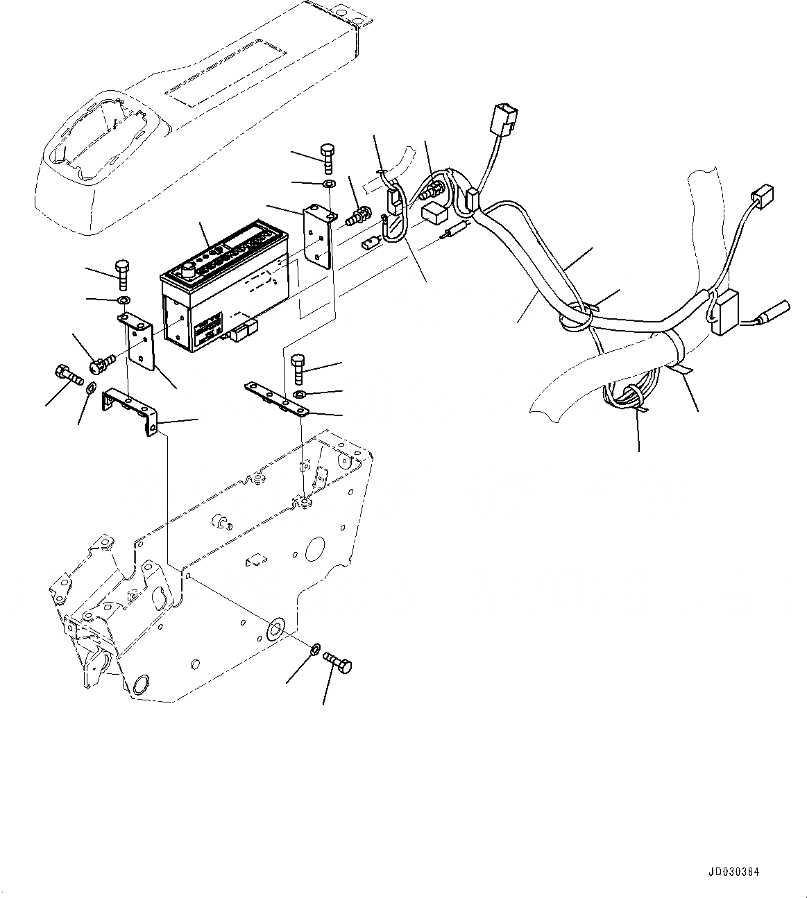
1
2
3
4
5
6
7
8
9
10
11
12
13
14
15
16
7
8
5
2
3
3
4
14
14
FIT
1:1
100%

Артикул

Название

Примечание

Количество

1

20Y-06-42440

Radio

2

20Y-43-41482

Plate

3

01023-60510

Screw

4

01010-80616

Bolt

5

01643-30623

Washer

6

22B-43-23171

Bracket

7

01010-80616

Bolt

8

01643-30623

Washer

9

22B-43-23181

Bracket

10

01010-80616

Bolt

11

01643-30623

Washer

12

22U-06-31371

Wiring Harness

13

08034-20414

Band

14

08034-20519

Band

15

20Y-06-41830

Wiring Harness

16

08912-51600

Cord

Выбрано товаров: 16