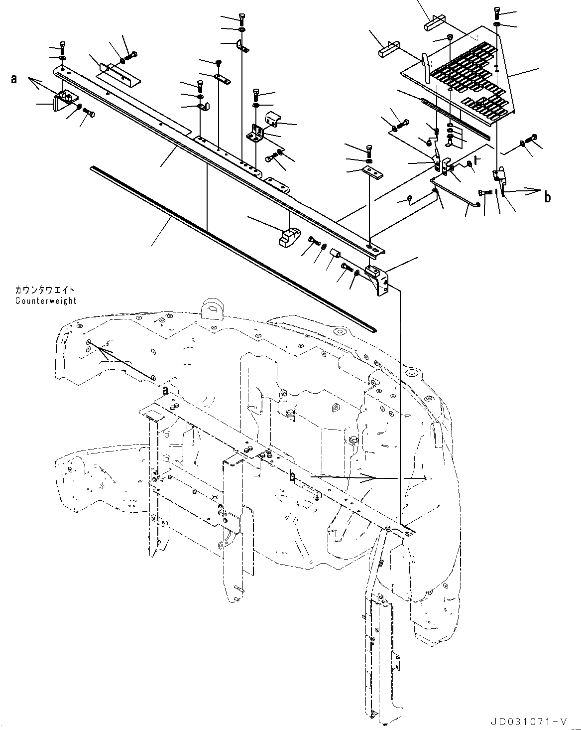
Запчасти Komatsu PC228USLC-8 КАПОТ, КАПОТ (/) (№-) КАПОТ, ДЛЯ СЕВ. АМЕРИКИ

Схема запчастей Komatsu PC228USLC-8 - КАПОТ, КАПОТ (/) (№-) КАПОТ, ДЛЯ СЕВ. АМЕРИКИ
48
49
46
47
43
44
16
17
16
17
21
22
41
42
45
12
14
13
15
15
18
19
20
24
25
23
38
39
26
29
32
35
37
27
28
30
31
36
33
34
40
10
11
4
5
6
1
7
7
2
8
9
3
3
51
50
52
53
FIT
1:1
100%

Артикул

Название

Примечание

Количество

1

22U-54-32212

Hood

1

22U-54-32211

Hood

2

22U-54-32221

Seal

3

22U-54-32480

Sheet

4

22B-54-21150

Hinge

5

01010-81230

Bolt

6

01643-31232

Washer

7

22B-46-24361

Lock Assembly

8

22B-46-24180

Spring

9

01023-10508

Screw

10

01010-81230

Bolt

11

01643-31232

Washer

11

22U-54-32301

Frame Assembly

12

Frame

13

22U-54-32331

Sheet

14

22U-54-32341

Seal

15

20Y-54-27182

Bracket

16

01010-81230

Bolt

17

01643-31232

Washer

18

205-54-68440

Plate

19

01224-40625

Screw, Philips Head

20

22U-54-32350

Bracket

21

01010-81230

Bolt

22

01643-31232

Washer

23

22U-54-32360

Bracket

24

01010-81230

Bolt

25

01643-31232

Washer

26

22U-54-32460

Cover

27

01010-81230

Bolt

28

01643-31232

Washer

29

22U-54-32590

Bracket

30

01010-81230

Bolt

31

01643-31232

Washer

32

22U-54-32371

Bracket

33

01010-81230

Bolt

34

01643-31232

Washer

35

22U-54-32440

Bar

36

01643-31032

Washer

37

04050-13018

Pin

38

20B-54-12210

Spring

39

01023-10408

Screw

40

22U-54-32450

Plate

41

01010-81240

Bolt

42

01643-31232

Washer

43

01010-81230

Bolt

44

01643-31232

Washer

45

22U-54-32381

Bracket

46

01010-81230

Bolt

47

01643-31232

Washer

48

22U-54-32392

Bracket

48

22U-54-32391

Bracket

49

22U-54-32610

Collar

50

01643-31645

Washer

51

01010-81685

Bolt

52

01010-81230

Bolt

53

01643-31232

Washer

Выбрано товаров: 56