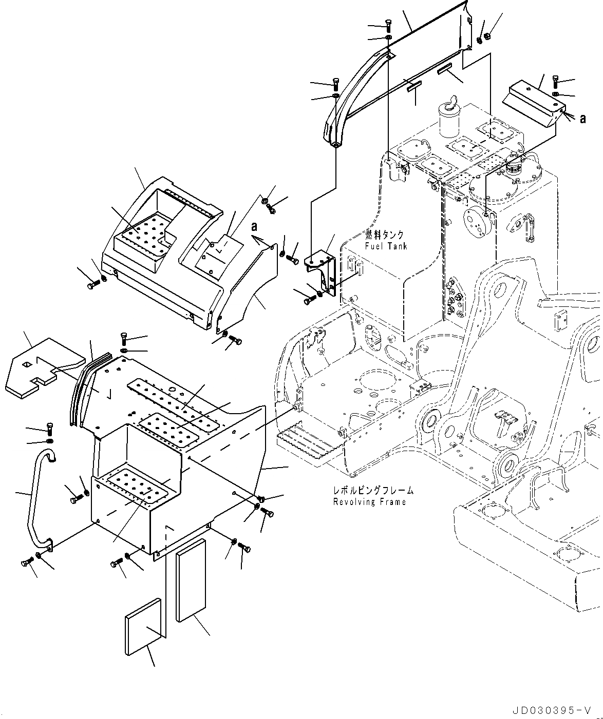
Запчасти Komatsu PC228USLC-8 ПЕРЕДН. COVER, КРЫШКА(/) (№-) ПЕРЕДН. COVER, БЕЗ -ДОПОЛН. АКТУАТОР ТРУБЫ, АККУМУЛЯТОР

Схема запчастей Komatsu PC228USLC-8 - ПЕРЕДН. COVER, КРЫШКА(/) (№-) ПЕРЕДН. COVER, БЕЗ -ДОПОЛН. АКТУАТОР ТРУБЫ, АККУМУЛЯТОР
32
1
2
4
3
5
6
7
9
9
10
11
11
11
14
14
11
13
16
17
18
20
21
35
36
37
22
29
29
34
25
19
25
12
8
12
15
12
31
15
12
23
24
24
33
26
27
27
30
28
28
FIT
1:1
100%

Артикул

Название

Примечание

Количество

|$0

22U-54-33711

Cover Assembly

1

Cover

2

22U-54-38131

Sheet

3

22U-54-33731

Sheet

4

22U-54-33741

Sheet

5

22U-54-24331

Seal

6

22U-54-24661

Pipe

7

01010-81230

Bolt

8

01643-31232

Washer

9

207-00-76250

Plate

10

20Y-00-42130

Plate

11

01010-81230

Bolt

12

01643-31232

Washer

13

22L-46-12150

Cap

14

01010-81250

Bolt

15

01643-31232

Washer

|$16

22U-54-33511

Cover Assembly

16

Cover

17

22U-54-33570

Cover

18

01010-81230

Bolt

19

01643-31232

Washer

20

22U-00-27780

Plate

21

01010-81230

Bolt

22

01643-31232

Washer

23

22U-54-33840

Cover

24

01010-81230

Bolt

25

01643-31232

Washer

25

22U-54-33761

Cover

26

Cover

27

22U-54-24490

Sheet

28

01010-81230

Bolt

29

01643-31232

Washer

30

01580-11210

Nut

31

175-54-34170

Washer

32

22U-54-33641

Bracket

33

01010-81230

Bolt

34

175-54-34170

Washer

35

22U-54-33590

Cover

36

01010-81230

Bolt

37

01643-31232

Washer

Выбрано товаров: 40