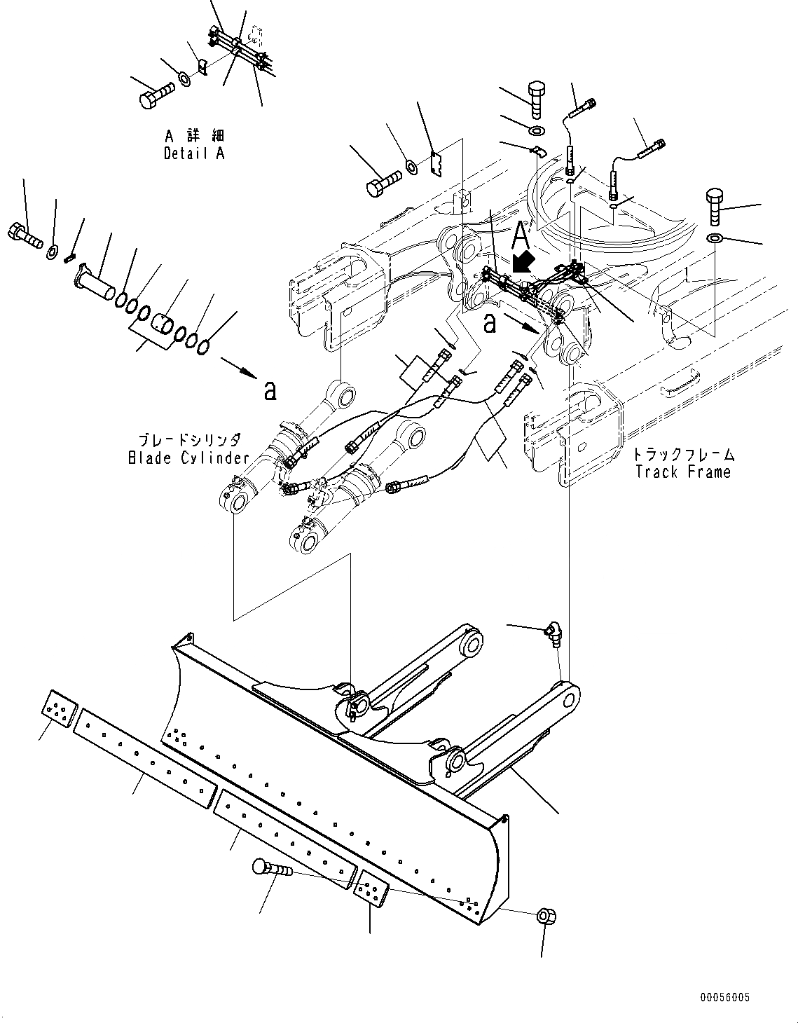
Запчасти Komatsu PC228USLC-8 ОТВАЛ (№-) ОТВАЛ

Схема запчастей Komatsu PC228USLC-8 - ОТВАЛ (№-) ОТВАЛ
25
26
24
17
18
23
18
5
1
11
7
3
6
4
10
8
12
9
14
13
2
13
14
22
21
29
28
27
16
26
25
30
24
17
20
23
15
30
6
5
24
19
19
19
19
19
19
FIT
1:1
100%

Артикул

Название

Примечание

Количество

1

22U-71-21110

Blade Assembly

2

707-76-90270

Bushing

3

07145-00090

Seal, Dust

4

07020-00900

Fitting, Grease

5

130-Z20-1510

Cutting Edge

6

22U-71-11130

Cutting Edge

7

02090-11270

Bolt

8

02290-11219

Nut

9

207-70-31210

Pin

10

01010-81235

Bolt

11

01643-31232

Washer

12

205-70-66580

Plate

13

207-70-24190

Spacer, T=0.8mm

14

207-70-24210

Spacer, T=1.5mm

15

02756-00505

Hose, Face Seal Type

16

02756-00507

Hose, Face Seal Type

17

22U-62-32150

Tube

18

22U-62-32160

Tube

19

02896-11015

O-ring

20

22U-71-81490

Bracket

21

01010-81235

Bolt

22

01643-31232

Washer

23

203-70-53381

Plate

24

203-62-58810

Cushion

25

01010-81025

Bolt

26

01643-31032

Washer

27

22U-71-81540

Cover

28

01010-81220

Bolt

29

01643-31232

Washer

30

02756-20509

Hose, Face Seal Type

Выбрано товаров: 30