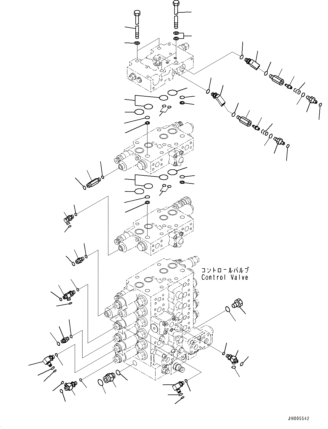
Запчасти Komatsu PC228USLC-8 УПРАВЛЯЮЩ. КЛАПАН, СОЕДИНИТЕЛЬН. ЧАСТИ (/) (№-) УПРАВЛЯЮЩ. КЛАПАН, -ДОПОЛН. АКТУАТОР ТРУБЫ, АККУМУЛЯТОР, ДЛЯ DOZER

Схема запчастей Komatsu PC228USLC-8 - УПРАВЛЯЮЩ. КЛАПАН, СОЕДИНИТЕЛЬН. ЧАСТИ (/) (№-) УПРАВЛЯЮЩ. КЛАПАН, -ДОПОЛН. АКТУАТОР ТРУБЫ, АККУМУЛЯТОР, ДЛЯ DOZER
10
23
11
8
24
22
9
35
36
39
38
20
21
19
18
15
11
14
12
13
12
13
17
14
37
39
40
40
41
18
17
16
18
24
6
4
3
4
6
3
7
5
2
1
1
2
32
30
34
31
33
26
27
29
28
6
4
3
4
6
3
7
5
44
42
43
32
30
34
31
33
25
27
29
28
FIT
1:1
100%

Артикул

Название

Примечание

Количество

1

700-84-13220

Bolt

2

01643-31445

Washer, Flat

3

723-46-17510

O-ring

4

723-46-17520

Ring, Back-up

5

723-46-17530

O-ring

6

723-11-19130

O-ring

7

07000-13032

O-ring

8

02781-0031D

Nipple

9

07002-11423

O-ring

10

02896-11009

O-ring

11

22U-62-22480

Elbow

12

201-60-11390

O-ring

13

20Y-62-19560

O-ring

14

07002-11423

O-ring

15

02781-0021D

Union

16

11Y-62-12330

Tee

17

07002-11423

O-ring

18

02896-11008

O-ring

19

02781-00628

Union

20

07002-12434

O-ring

21

02896-11018

O-ring

22

11Y-62-12330

Tee

23

07002-11423

O-ring

24

02896-11008

O-ring

25

22U-62-21991

Elbow

26

22U-62-21991

Elbow

27

07002-11423

O-ring

27

20Y-62-41701

Valve Assembly

28

Body

29

20Y-60-22270

Poppet

30

701-20-61230

Spring

31

07002-11423

O-ring

32

20Y-62-47630

Nipple

33

07002-11423

O-ring

34

02896-11008

O-ring

35

07040-12412

Plug

36

07002-12434

O-ring

37

11Y-62-12160

Elbow

38

20U-62-41820

Tee

39

07002-11423

O-ring

40

02896-11008

O-ring

41

02896-11009

O-ring

42

11Y-62-12230

Union

43

07002-11423

O-ring

44

02896-11008

O-ring

Выбрано товаров: 45