Запчасти Komatsu PC228USLC-8 ВОЗВРАТ. ТРУБЫ (№-) ВОЗВРАТ. ТРУБЫ, БЕЗ -ДОПОЛН. АКТУАТОР ТРУБЫ, АККУМУЛЯТОР

Схема запчастей Komatsu PC228USLC-8 - ВОЗВРАТ. ТРУБЫ (№-) ВОЗВРАТ. ТРУБЫ, БЕЗ -ДОПОЛН. АКТУАТОР ТРУБЫ, АККУМУЛЯТОР
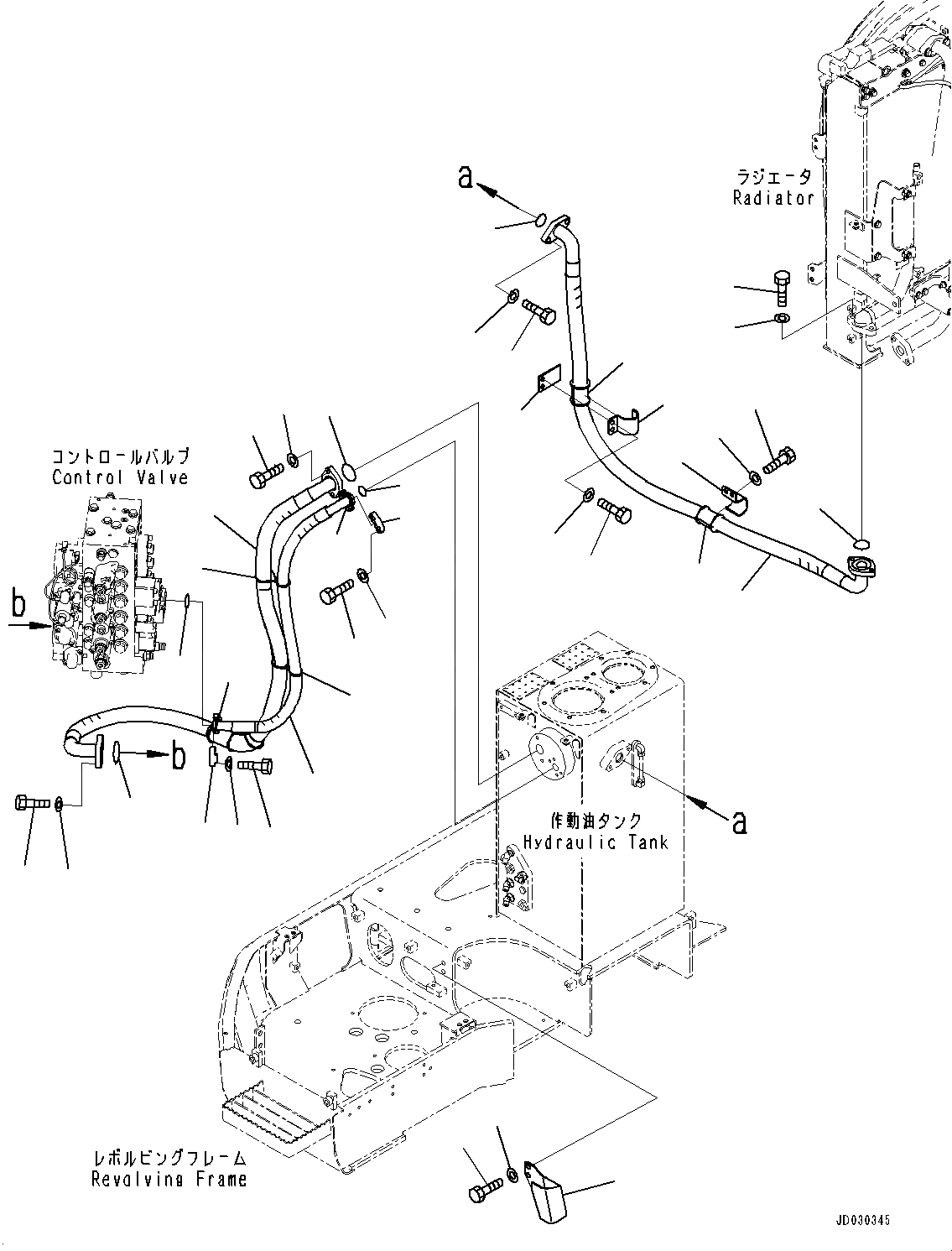
23
24
25
1
5
2
4
7
21
3
6
17
18
19
18
19
17
20
20
10
9
8
11
12
13
14
22
11
10
13
15
14
14
16
15
16
22
9
14
FIT
1:1
100%

Артикул

Название

Примечание

Количество

1

22U-62-34841

Hose

2

07000-13048

O-ring

3

07000-13042

O-ring

4

01010-81240

Bolt

5

01643-31232

Washer

6

01010-81250

Bolt

7

01643-31232

Washer

8

22U-62-34851

Hose

9

07000-13048

O-ring

10

01010-81240

Bolt

11

01643-31232

Washer

12

22U-62-34861

Hose

13

07000-13032

O-ring

14

07371-31049

Flange, Split

15

07372-21035

Bolt

16

01643-51032

Washer

17

22U-62-21551

Clamp

18

01010-81230

Bolt

19

01643-31232

Washer

20

07095-01245

Cushion

21

22U-62-24980

Plate

22

134-03-61410

Band

23

22U-62-35830

Cover

24

01010-81230

Bolt

25

01643-31232

Washer

Выбрано товаров: 25