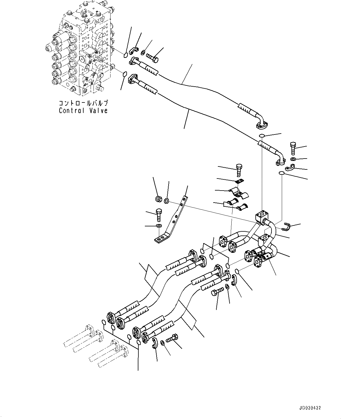
Запчасти Komatsu PC228USLC-8 ТРУБЫ СТРЕЛЫ (№-) ТРУБЫ СТРЕЛЫ

Схема запчастей Komatsu PC228USLC-8 - ТРУБЫ СТРЕЛЫ (№-) ТРУБЫ СТРЕЛЫ
1
5
3
4
2
6
7
8
9
10
11
12
13
14
15
16
17
18
19
20
21
22
23
24
26
27
28
29
30
32
31
26
26
25
25
15
FIT
1:1
100%

Артикул

Название

Примечание

Количество

1

22U-62-22141

Hose

2

07000-13025

O-ring

3

07000-13032

O-ring

4

22U-62-22150

Hose

5

07000-13025

O-ring

6

07000-13032

O-ring

7

07371-30640

Flange, Split

8

07372-21035

Bolt

9

01643-51032

Washer

10

07371-31049

Flange, Split

11

07372-21035

Bolt

12

01643-51032

Washer

13

22U-62-34651

Tube

14

22U-62-34641

Tube

15

20Y-62-13230

Clamp

16

20Y-62-13760

Seat

17

01010-81230

Bolt

18

20Y-62-13450

Plate

19

22U-62-26960

Plate

20

07283-32738

Clip, Pipe

21

01597-01009

Nut

22

01643-31032

Washer

23

01010-81230

Bolt

24

01643-31232

Washer

25

20Y-62-17480

Hose

26

07000-13025

O-ring

27

07371-30640

Flange, Split

28

07372-21035

Bolt

29

01643-51032

Washer

30

07371-30640

Flange, Split

31

07372-21035

Bolt

32

01643-51032

Washer

Выбрано товаров: 0