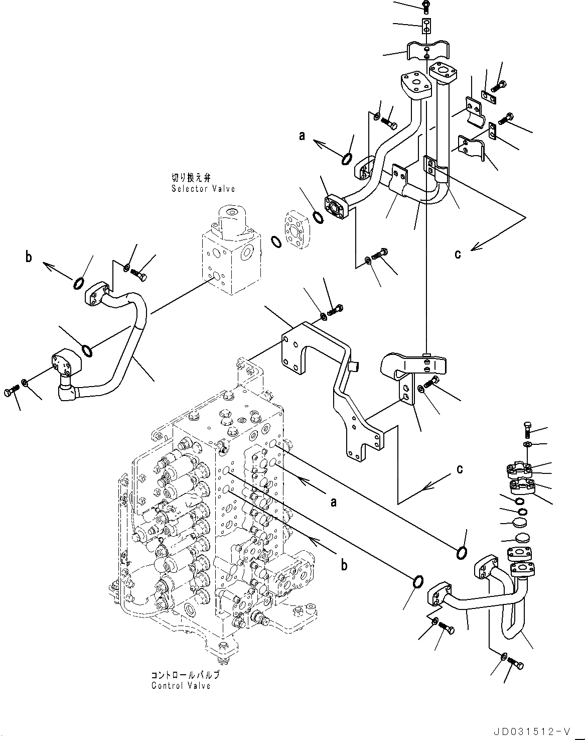
Запчасти Komatsu PC228USLC-8 НАВЕСН. ОБОРУД ТРУБЫ, КРЕПЛЕНИЕ ШЛАНГОВ (№-) НАВЕСН. ОБОРУД ТРУБЫ, -ДОПОЛН. АКТУАТОР ТРУБЫ, АККУМУЛЯТОР

Схема запчастей Komatsu PC228USLC-8 - НАВЕСН. ОБОРУД ТРУБЫ, КРЕПЛЕНИЕ ШЛАНГОВ (№-) НАВЕСН. ОБОРУД ТРУБЫ, -ДОПОЛН. АКТУАТОР ТРУБЫ, АККУМУЛЯТОР
3
1
4
5
6
7
9
8
10
11
13
14
15
16
17
18
19
20
21
22
23
24
25
25
25
25
27
27
26
26
2
12
28
29
33
34
34
33
35
35
35
35
31
32
31
32
36
37
30
30
FIT
1:1
100%

Артикул

Название

Примечание

Количество

1

22U-62-34631

Tube

2

07000-13035

O-ring

3

07000-13032

O-ring

4

07372-21040

Bolt

5

01643-51032

Washer

6

07372-21060

Bolt

7

01643-51032

Washer

8

22U-62-34621

Tube

9

07000-13035

O-ring

10

07372-21040

Bolt

11

01643-51032

Washer

12

22U-62-35771

Tube

13

07000-13032

O-ring

14

07372-21040

Bolt

15

01643-51032

Washer

16

22U-62-34372

Bracket

16

22U-62-34371

Bracket

17

01010-81250

Bolt

18

01643-31232

Washer

19

20Y-62-13690

Clamp

20

22U-62-34380

Bracket

21

01010-81230

Bolt

22

01643-31232

Washer

23

20Y-62-13450

Plate

24

01010-81230

Bolt

25

207-62-31330

Clamp

26

01010-81230

Bolt

27

20Y-62-13450

Plate

28

22U-62-36110

Tube

29

22U-62-36120

Tube

30

07000-13032

O-ring

31

07372-21040

Bolt

32

01643-51032

Washer

33

07378-10600

Head

34

07000-13025

O-ring

35

07371-30640

Flange, Split

36

07372-21035

Bolt

37

01643-51032

Washer

Выбрано товаров: 38