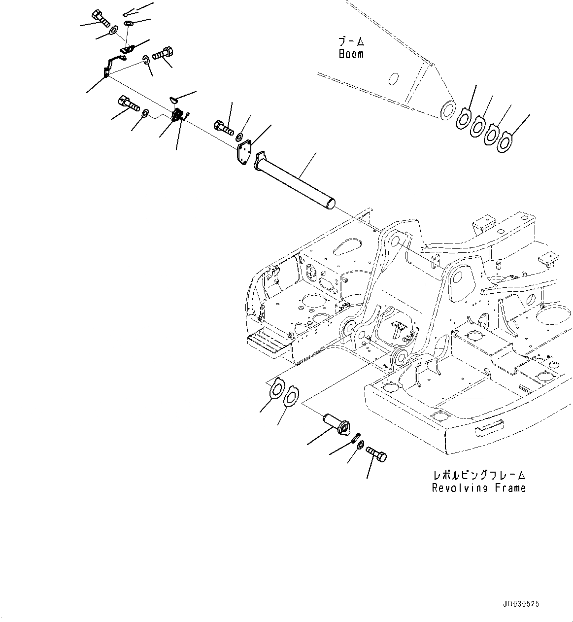
Запчасти Komatsu PC228USLC-8 ПАЛЕЦ СТРЕЛЫ(№-) СТРЕЛА НИЖН. ПАЛЕЦ

Схема запчастей Komatsu PC228USLC-8 - ПАЛЕЦ СТРЕЛЫ(№-) СТРЕЛА НИЖН. ПАЛЕЦ
3
9
4
2
1
8
6
7
11
10
12
14
13
24
23
20
19
17
16
15
27
21
18
22
25
26
5
FIT
1:1
100%

Артикул

Название

Примечание

Количество

1

206-70-55160

Pin

2

22U-70-31150

Plate

3

01010-61640

Bolt

4

01643-31645

Washer

5

22U-70-31360

Spacer, T=2.0mm

6

22U-70-31370

Spacer, T=2.5mm

7

22U-70-31380

Spacer, T=3.0mm

8

22U-70-31390

Spacer, T=3.5mm

9

205-70-71210

Pin

10

205-70-66580

Plate

11

01010-81235

Bolt

12

01643-31232

Washer

13

21K-70-71630

Spacer, T=1.0mm

14

21K-70-71640

Spacer, T=2.0mm

15

22U-70-21181

Bracket

16

01010-81230

Bolt

17

175-54-34170

Washer

18

22U-70-21172

Lever

19

04050-13022

Pin, Cotter

20

01641-21223

Washer

21

7861-93-8710

Sensor, Angle

22

04010-00310

Key, Woodruff

23

01010-80835

Bolt

24

01602-20825

Washer

25

01010-81030

Bolt

26

01643-31032

Washer

27

20U-70-41560

Cushion

Выбрано товаров: 27