Запчасти Komatsu PC228USLC-8 КОНДИЦ. ВОЗДУХА, КОМПРЕССОР КРЕПЛЕНИЕ (№-) КОНДИЦ. ВОЗДУХА

Схема запчастей Komatsu PC228USLC-8 - КОНДИЦ. ВОЗДУХА, КОМПРЕССОР КРЕПЛЕНИЕ (№-) КОНДИЦ. ВОЗДУХА
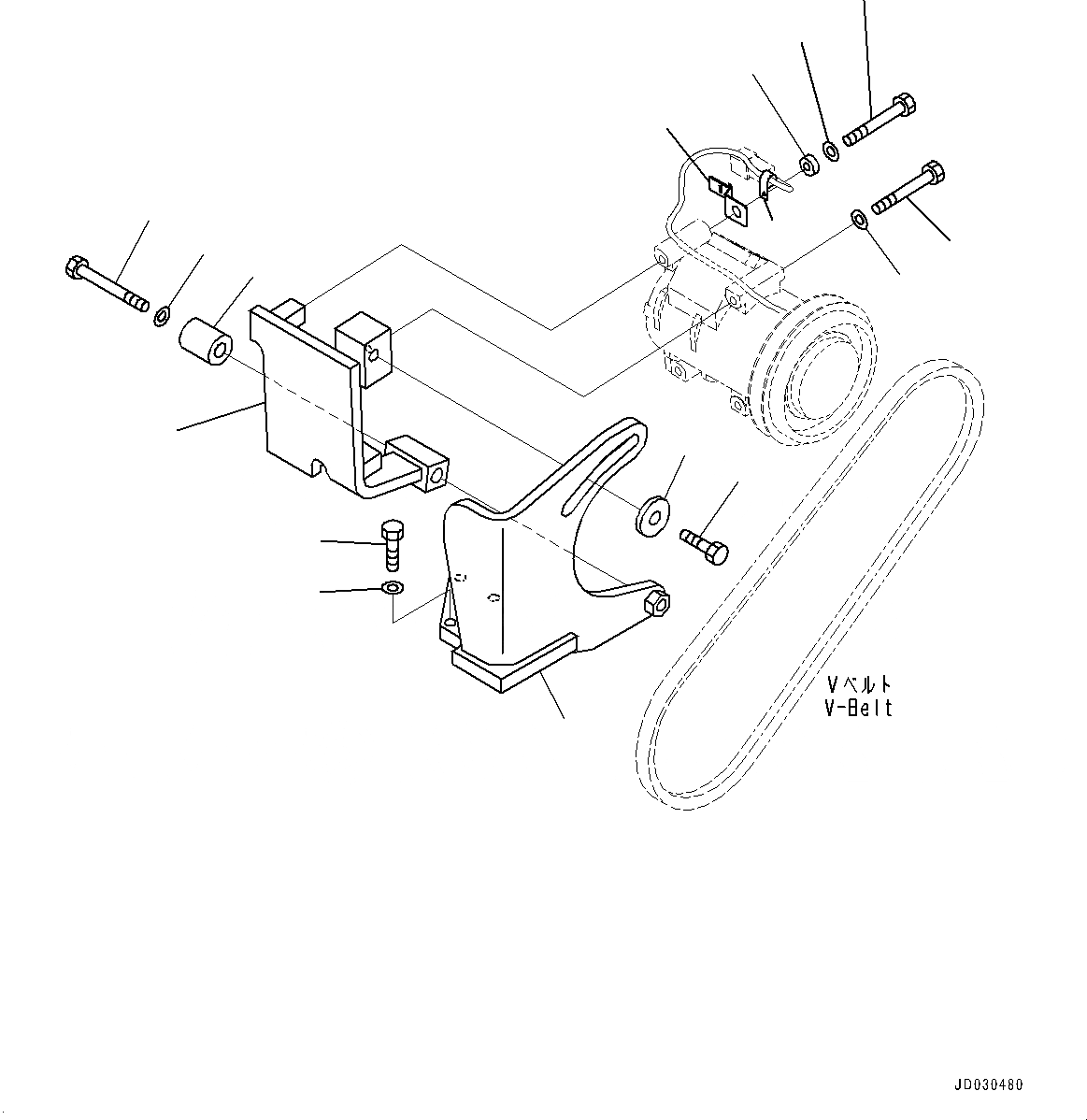
1
2
3
4
5
6
7
8
9
10
11
12
13
14
15
13
FIT
1:1
100%

Артикул

Название

Примечание

Количество

1

22U-979-3110

Bracket

2

01010-81035

Bolt

3

01643-31032

Washer

4

20Y-979-6612

Bracket

5

01010-81440

Bolt

6

195-71-32220

Washer

7

20Y-810-1190

Bolt

8

20Y-810-1180

Spacer

9

01643-31445

Washer, Flat

10

01010-80875

Bolt

11

01010-80885

Bolt

12

22N-957-1420

Collar

13

01643-30823

Washer

14

08053-01510

Clip

15

04434-50508

Clip

Выбрано товаров: 15