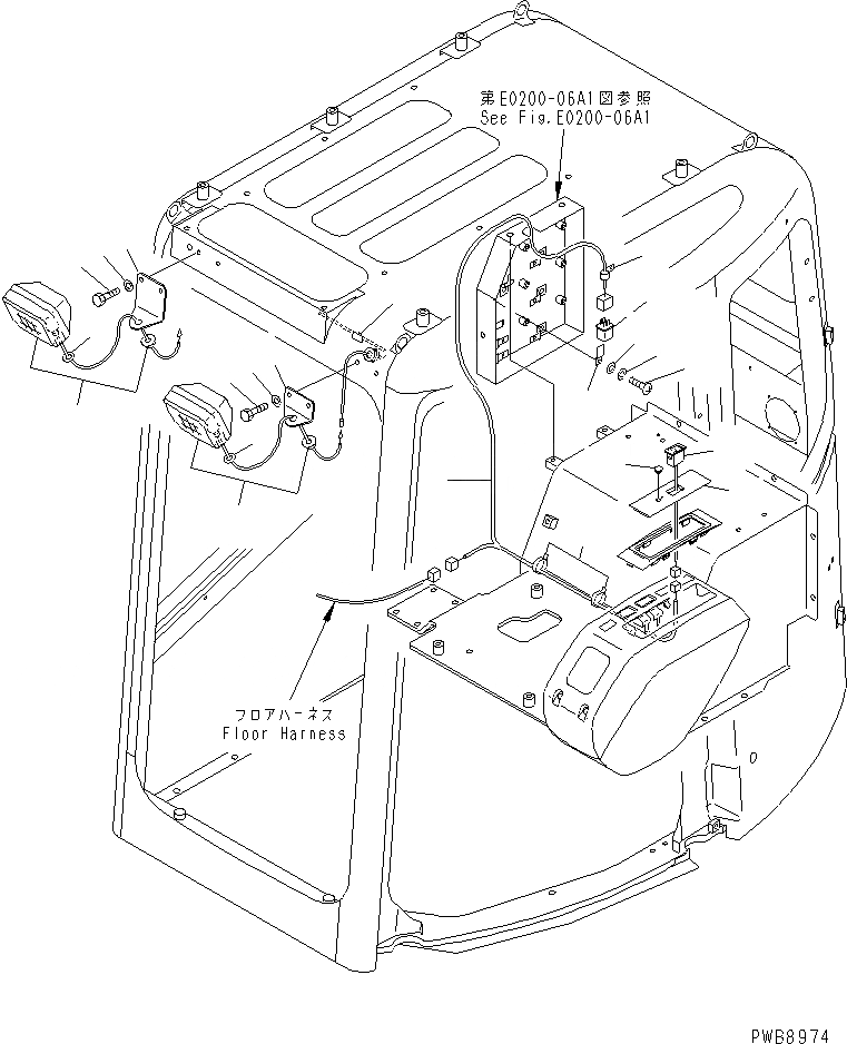
Запчасти Komatsu PC228UU-1-MO ДОПОЛН. РАБОЧ. ОСВЕЩЕНИЕ(№89-) ЭЛЕКТРИКА

Схема запчастей Komatsu PC228UU-1-MO - ДОПОЛН. РАБОЧ. ОСВЕЩЕНИЕ(№89-) ЭЛЕКТРИКА
1
1
2
3
4
4
5
5
6
6
7
8
9
10
11
12
13
14
15
16
17
18
FIT
1:1
100%

Артикул

Название

Примечание

Количество

1

21W-06-22120

LAMP ASS'Y

2

21J-54-16290

PLATE

3

21J-54-16640

PLATE,R.H.

4

01010-80820

BOLT

5

01643-30823

WASHER

6

07005-01212

GASKET

7

21W-54-14690

CLIP

8

22U-06-11221

WIRING HARNESS

9

04434-51010

CLIP

10

08034-00519

BAND

11

22U-54-13820

COVER

12

7824-84-2820

CAP

13

569-06-61960

RELAY

14

287-06-16420

BRACKET

15

01220-40616

SCREW

16

01643-30623

WASHER

17

01602-20619

WASHER

18

20Y-06-23451

SWITCH

Выбрано товаров: 18