Запчасти Komatsu PC228UU-1 ЦИЛИНДР СТРЕЛЫ(ДЛЯ OFFSET СТРЕЛА)(№-) ОСНОВН. КОМПОНЕНТЫ И РЕМКОМПЛЕКТЫ

Схема запчастей Komatsu PC228UU-1 - ЦИЛИНДР СТРЕЛЫ(ДЛЯ OFFSET СТРЕЛА)(№-) ОСНОВН. КОМПОНЕНТЫ И РЕМКОМПЛЕКТЫ
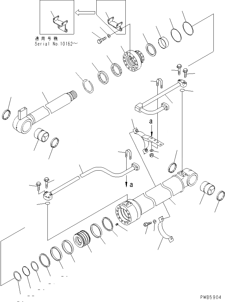
1
2
3
3
4
5
6
6
7
8
9
10
11
12
13
14
15
15
16
17
18
19
20
20
21
21
22
23
23
24
25
26
27
27
28
28
29
29
30
31
32
33
34
34
35
36
FIT
1:1
100%

Артикул

Название

Примечание

Количество

G-1

22U-63-X9010

CYLINDER GROUP,L.H.

G-1

22U-63-X2103

CYLINDER GROUP,L.H.

G-1

22U-63-X2102

CYLINDER GROUP,L.H.

G-1

22U-63-X2101

CYLINDER GROUP,L.H.

G-2

22U-63-X9020

CYLINDER GROUP,R.H.

G-2

22U-63-X2113

CYLINDER GROUP,R.H.

G-2

22U-63-X2112

CYLINDER GROUP,R.H.

G-2

22U-63-X2111

CYLINDER GROUP,R.H.

|$9

22U-63-02103

CYLINDER ASS'Y

|$10

22U-63-02102

CYLINDER ASS'Y

|$11

22U-63-02101

CYLINDER ASS'Y

1

22U-63-52142

CYLINDER

1

22U-63-52141

CYLINDER

2

206-70-55280

BUSHING

3

07145-00080

SEAL,DUST (KIT)

4

22U-63-52122

ROD,PISTON

4

22U-63-52121

ROD,PISTON

5

707-76-80010

BUSHING

6

07145-00080

SEAL,DUST (KIT)

7

707-27-13921

HEAD,CYLINDER

8

07179-13104

RING,SNAP

9

195-63-94170

SEAL,DUST (KIT)

10

707-52-90680

BUSHING

11

707-51-90030

PACKING,ROD (KIT)

12

07000-15120

O-RING (KIT)

13

707-35-91320

RING,BACK-UP (KIT)

14

707-51-90630

RING,BUFFER (KIT)

15

707-88-83752

BRACKET

15

707-88-83751

BRACKET

16

01010-81670

BOLT

17

01643-51645

WASHER

18

707-36-13471

PISTON

19

707-44-13180

RING,PISTON (KIT)

20

707-39-13110

RING,WEAR (KIT)

21

707-44-13911

RING

22

07000-15080

O-RING (KIT)

23

707-35-90940

RING,BACK-UP (KIT)

24

01310-01216

SCREW

25

22U-63-52171

TUBE,L.H.

25

22U-63-52271

TUBE,R.H.

26

22U-63-52380

TUBE,L.H.

26

22U-63-52480

TUBE,R.H.

27

01435-01055

BOLT

28

01435-01040

BOLT

29

07000-13030

O-RING (KIT)

30

22U-63-52191

BRACKET

31

707-88-95081

BAND

32

01010-81035

BOLT

33

01643-51032

WASHER

34

07283-22738

CLIP

35

01599-01011

NUT

36

01643-31032

WASHER

|$54

707-99-47730

SERVICE KIT

Выбрано товаров: 53