Качественные детали и логистика
Оригинальные и аналоговые запчасти с доставкой по России, Казахстану и Беларуси
©2022 PartSell ООО "Система" ИНН 2463123282 ОГРН 1212400004838
Центральный офис: г. Красноярск, Академика Киренского, д.87, пом.4
Телефон: 8 (800) 777-65-74 Email: zakaz@partsell.ru
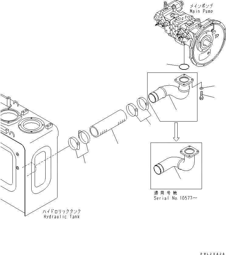
ВСАСЫВ. ЛИНИЯ(№-)
№
Артикул
Название
Примечание
Количество
1
07260-08732
HOSE
2
07289-00105
CLAMP
3
22U-62-14911
ELBOW
22U-62-11431
4
07000-12085
O-RING
07000-02085
5
01010-81235
BOLT
01010-51235
6
01643-31232
WASHER
Выбрано товаров: 0